EasyManua.ls Logo

Robinson R66 - Page 696

Robinson R66
950 pages
Print Icon
To Next Page IconTo Next Page
To Next Page IconTo Next Page
To Previous Page IconTo Previous Page
To Previous Page IconTo Previous Page
Loading...
Page 90.58 Chapter 90 Police Version JUL 2020
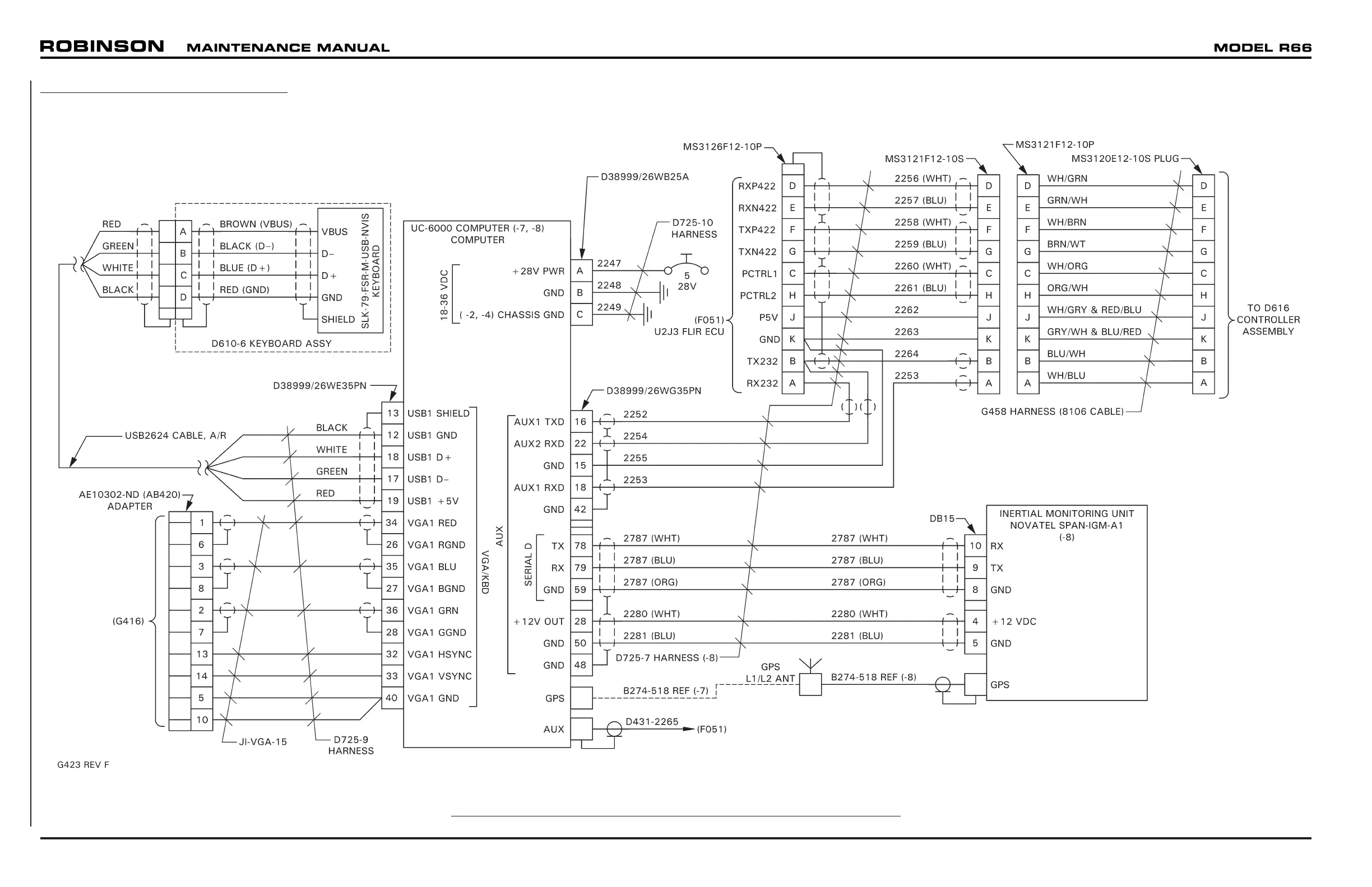
90-280 Wiring Schematics (continued)
FIGURE 90-18 G608 GPS MAPPING AND MDT INSTALLATION WIRING SCHEMATIC

Table of Contents