EasyManua.ls Logo

Ropex RES-445 - Wiring Diagram (Standard)

Ropex RES-445
71 pages
Print Icon
To Next Page IconTo Next Page
To Next Page IconTo Next Page
To Previous Page IconTo Previous Page
To Previous Page IconTo Previous Page
Loading...
Installation
RES-445 Page 17
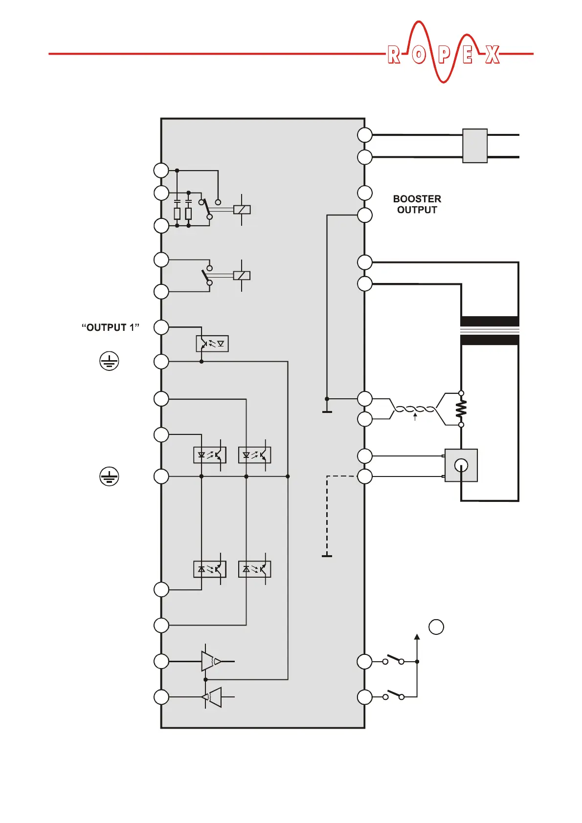
8.6 Wiring diagram (standard)
4
3
5
6
20
21
22
26
24
25
23
15
14
116
17
2
18
K1
2x 47nF/560R
RES-445
(also with MOD 01)
AUTOCAL
with 24VDC signal
RESET
with 24VDC signal
+
+
TEMP. IN
0 - 10VDC
TEMP. OUT
0 - 10VDC
8
9
12
13
10
11
19
7
START (HEAT)
with contact
PREHEAT (CH1)
with contact
START (HEAT)
with 24VDC signal
PREHEAT (CH1)
with 24VDC signal
ALARM
OUTPUT
max. 50V/0.2A
RELAY K1
100VDC/1.5A
240VAC/1.5A
GND
GND
Contact closed or
opened by ALARM
(see configuration)
Ground
for 24VDC signals.
Must be grounded
externally to prevent
electrostatic
charging!
R
Impulse
transformer
I
R
U
R
Current transformer
PEX-W2/-W3
twisted
Heat-
sealing
band
0V (Internal ground)
Terminal
2
LINE
Line filter LF-xx480
+
0V
sec.
U
2
prim.
U
1
0V
(Intern. ground)
No external
grounding
allowed!
0V
(Intern. ground)
No external
grounding
allowed!
up to
production date
December 2005

Table of Contents

Related product manuals