EasyManua.ls Logo

Ropex RES-445 - Res-445; Wiring Diagram with Booster Connection

Ropex RES-445
71 pages
Print Icon
To Next Page IconTo Next Page
To Next Page IconTo Next Page
To Previous Page IconTo Previous Page
To Previous Page IconTo Previous Page
Loading...
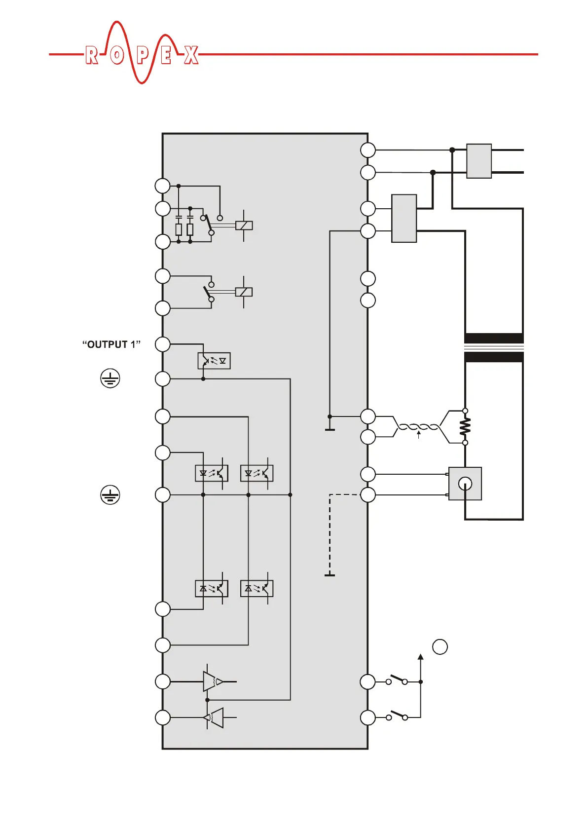
Installation
Page 18 RES-445
8.7 Wiring diagram with booster
connection
4
3
5
6
20
21
22
26
24
25
23
15
14
116
17
2
18
+
0V
K1
2x 47nF/560R
RES-445
(also with MOD 01)
AUTOCAL
with 24VDC signal
RESET
with 24VDC signal
+
+
TEMP. IN
0 - 10VDC
TEMP. OUT
0 - 10VDC
8
9
12
13
10
11
19
7
START (HEAT)
with contact
PREHEAT (CH1)
with contact
START (HEAT)
with 24VDC signal
PREHEAT (CH1)
with 24VDC signal
ALARM
OUTPUT
max. 50V/0.2A
RELAY K1
100VDC/1.5A
240VAC/1.5A
GND
GND
Contact closed or
opened by ALARM
(see configuration)
Ground
for 24VDC signals.
Must be grounded
externally to prevent
electrostatic
charging!
0V
(Intern. ground)
No external
grounding
allowed!
0V
(Intern. ground)
No external
grounding
allowed!
R
Impulse
transformer
I
R
U
R
Current transformer
PEX-W2/-W3
twisted
Heat-
sealing
band
LINE
Booster
NC
NC
24
IN OUT
13
Line filter LF-xx480
0V (Internal ground)
Terminal
2
sec.
U
2
prim.
U
1
up to
production date
December 2005

Table of Contents

Related product manuals