EasyManua.ls Logo

S-Klima CompTrol - Comptrol Interface Connection Diagram

S-Klima CompTrol
126 pages
Print Icon
To Next Page IconTo Next Page
To Next Page IconTo Next Page
To Previous Page IconTo Previous Page
To Previous Page IconTo Previous Page
Loading...
22 CompTrol Interface V4.0.x | Issue 21-05-2021 | 1000932
Product description
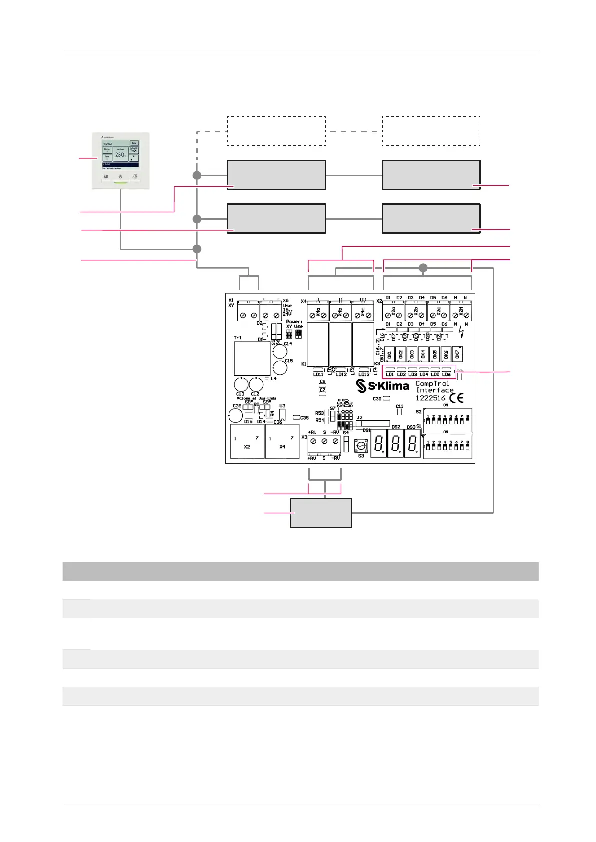
4.8 CompTrol Interface connection diagram
IU 3 OU 3
IU 2 OU 2
IU 1
BMS
OU 1
1
2
3
4
5
6
7
9
10
8
11
Figure 5: CompTrol Interface connection diagram
No. Name No. Name
1 2nd outdoor unit 2 1st outdoor unit
3 Volt-free digital outputs 4 Digital inputs
5
LEDs for indicating the status of digital
inputs
6
Control unit of building services manage-
ment system (BMS)
7 Analog input 8 X/Y remote control bus
9 1st indoor unit 10 2nd indoor unit
11 Wired remote control RC-EX1 or RC-EX3 - -

Table of Contents