EasyManua.ls Logo

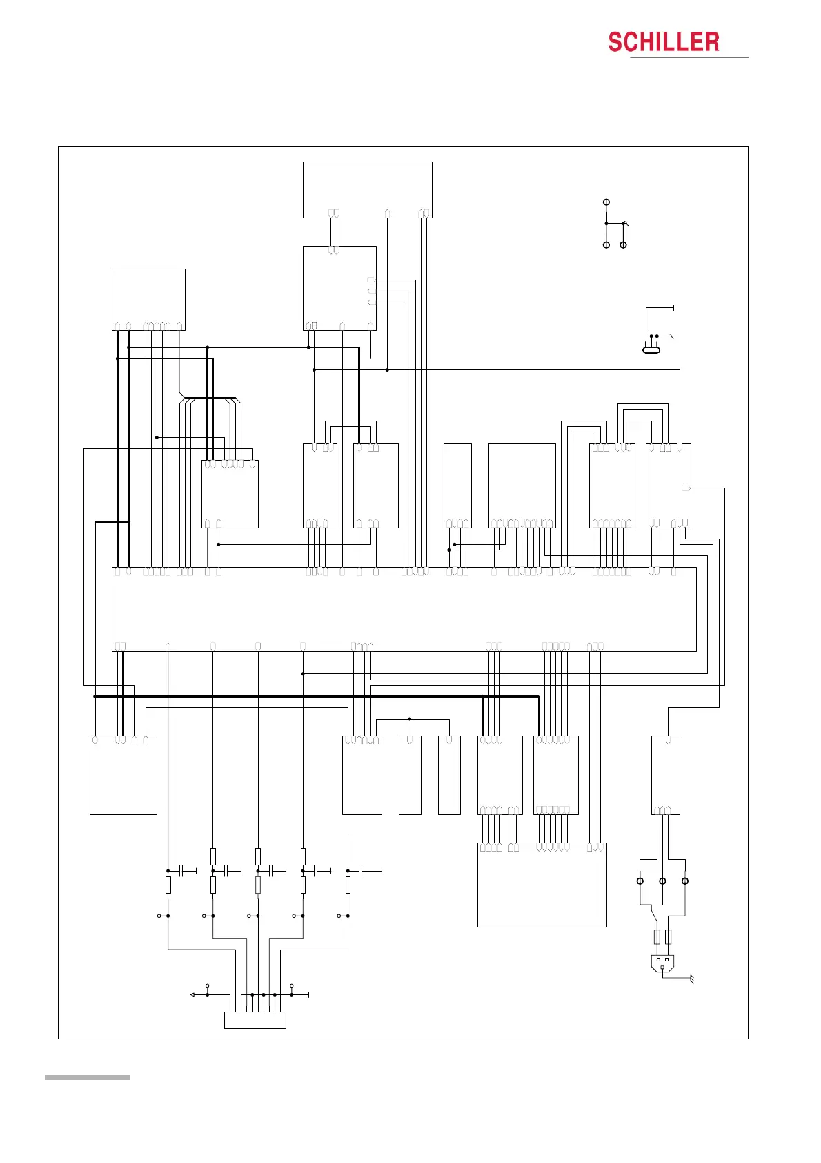
Schiller AT-10 plus - Microprocessor (Main Board) Functional Block Diagram

Schiller AT-10 plus
76 pages
Print Icon
To Next Page IconTo Next Page
To Next Page IconTo Next Page
To Previous Page IconTo Previous Page
To Previous Page IconTo Previous Page
Loading...
10 Construction Drawings
10.2 Circuit and functional illustrations
AT-10 plus
Page 66
Art.-no.: 2.540043 Rev.: a
10.2.2 Microprocessor (main board) functional block diagram
CONFIDENTIAL
KBS[0..5]
A[1..19]
D[0..15]
230VAC
115VAC
0V
TP4
AMP-2.8/1.3
TP5
AMP-2.8/1.3
TP6
AMP-2.8/1.3
Cave
200mAT/230V
315mAT/115V
200mAT/230V
315mAT/115V
L
N
RESLCD/
CSLCDRD/
CSLCDWR/
RESLCD/
NC30...39
CAVE
D[0..15]
TP1
AMP-2.8/1.3
TP2
AMP-2.8/1.3
CAVE
GND
Verbindung
Gerberdaten
SHEET3
RESLCD/
CSLCDRD/
CSLCDWR/
TP3
AMP-2.8/1.3
RES/
RES/
BPTXD
BPRXD
SPO2TXD
SPO2RXD
SCMTXD
SCMRXD
SHARETXD
SHARERXD
KBS[0..5]
uPOFF/
LOADPWM
STRB1
STRB2
PMD
TPHT
PM PROM/
USRAM/
LSRAM/
CSFLASH/
CSLCDWR/
CSADC/
PMARK
BATT
EKGCONV/
QSM/EKGCLK
RESLCD/
RES/
332CLK
LCDMR
D[0..15]
A[1..19]
BDOWN/
FRES/
SCMRES/
TPL/
MON/
LEDB
PDIN
CSKBRD/
WPFIFO/
EKGIN
R/W/
EJCT
SELADC
CSLCDRD/
CTS
RTS
DTR
TMUP
TMDOWN
HDQVF
CSMOT/
CSDAC/
NH/LI/F
FUSSIN
CSDACA/
CSDACB/
ENSPIROCOM
ENTMCOM/
ENERGOCOM/
DC2QRS/
SPO2RES/
BPRES/
CONVADC/
QSMDIN
R/C/
MOTOR OP/CL/
MOTOR ON/OFF/
OFFuP
CPU
CPU.Sch
A[1..19]
D[0..15]
PROM/
LSRAM/
USRAM/
R/W/
RESLCD/
CSFLASH/
RAMFLASH
RAMFLASH.SCH
A[1..19]
RESLCD/
332CLK
R/W/
CSLCDWR/
CSLCDRD/
D[0..15]LCDMR
LCDON
TFTCONTR
TFTCONTR.SCH
TPCLK
TPDWPFIFO/
FRES/
332CLK
D[0..15]
TPHDRIVE
TPHDRIVE.SCH
MON
TPCLK
TPDTPL/
STRB1
STRB2
TPHT
TPHINT
TPHINT.SCH
PDOUT-
PDOUT+
PMARK
PMD
MON/
MON
RES/
CSMOT/
D[0..15]
PMD-STEP-DRI VE
PMD-STEP-DRI VE.SCH
MON
EJCT
PDIN
PDOUT-
PDOUT+
PAPERDR
PAPERDR.SCH
KBS[0..5]
ON
D[0..15]
CSKBRD/
LCDON
KEYBOARD
KEYBOARD.SCH
SHARETXD
SHARERXD
ENTMCOM
ENERGOCOM
ERGO
ERGO.SCH
ENSPIROCOM
SHARERXD
CTS
SHARETXD
RTS
DTR
MOTOR OP/CL/
MOTOR ON/OFF/
QSMDIN
QSM/EKGCLK
R/C/
SPIRO
SPIRO.SCH
SPO2RES/
BPRES/
SCMRES/
SCMRXD
BPRXD
SPO2RXD
LED BATT
LED NETZ
SCMTXD
SPO2TXD
BPTXD
HDQVF HDQ
LATCH
LATCH.SCH
DCIN2+
DCIN2-
DCIN1+
DCIN1-
LOADIN
RPMIN
CSADC/
D[0..15]
SELADC
CONVADC/
ADC
ADC.SCH
D[0..15]
DCOUT2
DCOUT2_GND
CSDAC/
LOADOUT
DCOUT1_GND
CSDACA/
CSDACB/
LOADPWM
DC2QRS/
DCOUT1
QRSOUT
DAC
DAC.SCH
DCIN1+
DCIN1-
DCIN2-
DCIN2+
DCOUT1
DCOUT2
DCOUT1_GND
DCOUT2_GND
RPMIN
LOADIN
LOADOUT
FUSSIN
TMDOWN
TMUP
QRSOUT
DC_CON
DC_CON.Sch
0V
115VAC
230VAC UBSWITCH
MAINPOWER
MAINPOW E R.SCH
uPOFF/
ON
RES/
SD
NH/LI/BD
OFFuP
ONOFF
ONOFF.SCH
SD
DCDCPOWER
DCDCPOWER.SCH
SD
POWER24V
POWER24V.SCH
LED NETZ
MONNH/LI/F
HDQ
LEDB
LED BATT
BATT
BDOWN/
UBSWITCH
NH/LI/BD
AKKULADUNG
AKKULADUNG.SCH
R406
100R
C295
220P
R407
100R
GND
R408
100R
R409
100R
C297
220P
C296
220P
GND
GND
R403
100R
R404
100R
C293
220P
GND
1
2
3
4
5
6
7
8
9
10
P23A
WANNE-10-2
+5.2V
GND
R411
100R
EKGOUT/E
QSMDIN
QSMDIN
C294
220P
GND
R405
100R
PM/E
EKGIN/E
EKGCONV/E
QSM/EKGCLK/E
TP302
TP303
TP304
TP305
TP306
TP307
TP308

Table of Contents

Other manuals for Schiller AT-10 plus

Related product manuals