EasyManua.ls Logo

Seabreeze SHE9H4ZIGX - Page 17

Seabreeze SHE9H4ZIGX
142 pages
Print Icon
To Next Page IconTo Next Page
To Next Page IconTo Next Page
To Previous Page IconTo Previous Page
To Previous Page IconTo Previous Page
Loading...
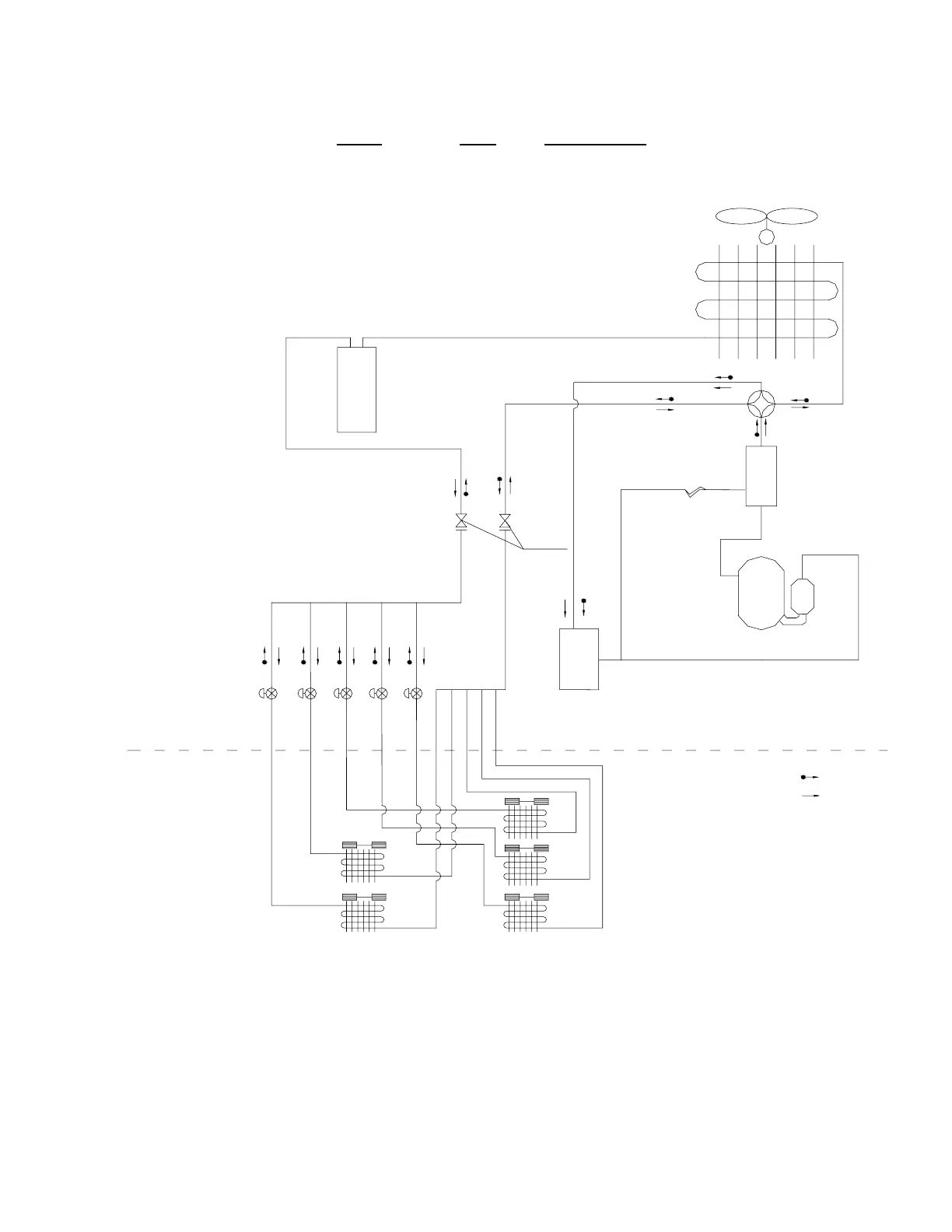
9
Model
Ports
Capacity (BTU)
SMZ42H46ZOGX
Five
42,000
M
Liquid Receiver
Heat Exchanger
Four-way Valve
Capillary
Stop Valve
Compressor
Oil Separator
Gas/Liquid Separator
Heat Exchanger
Heat Exchanger
Heat ExchangerHeat Exchanger
Heat Exchanger
Heating
Cooling
Outdoor Uint
Indoor Uint
Electronic Expansion Valve

Table of Contents

Related product manuals