EasyManua.ls Logo

Siemens SIRIUS 3RW44 - 3 RW44 in a Standard Circuit with Soft Start;Stop and Additional Slow Speed Function in both Directions of Rotation with One Parameter Set

Siemens SIRIUS 3RW44
255 pages
To Next Page IconTo Next Page
To Next Page IconTo Next Page
To Previous Page IconTo Previous Page
To Previous Page IconTo Previous Page
Loading...
Circuit Examples
SIRIUS 3RW44 System Manual
9-8 GWA 4NEB 535 2195-02 DS 04
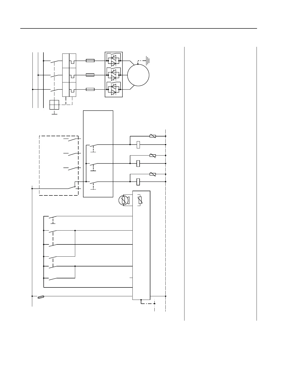
9.1.7 3RW44 in a Standard Circuit with Soft Start/Stop and Additional Slow Speed Function in both
Directions of Rotation with one Parameter Set
1) For permissible main and control voltage values, refer to Technical Data, Pages 10-8 to 10-12.
Note: parameterization
Set the control input functions to:
IN1: Motor right PS1
IN2: Motor left PS1
IN3: Slow speed mode
IN4: Trip/Reset (factory default)
The slow speed parameters in Parameter Set 1 must be set. Motor right means rotation in line phase direction, motor left means rotation against the line
phase direction.
Notice
The slow speed function is not suitable for continuous operation. The motor can overheat at slow speed during continuous operation.
Caution: risk of restart:
The start command must be reset before a reset command is issued, as an automatic restart is executed when a start command is pending after the reset
command is issued. This applies to motor protection tripping in particular.
K1, K2, K3 = relays for contact multiplication, e.g. for 230 V AC operation: 3RS 1800-1BP00
$
1
3(
3(
/ / ,1 ,1 ,1 ,1 7 74
)
$
4
4
0
3(
0
a
/
/
/
/ / /
7 7 7
4



. . . 6
6
6 6
88 8
. .
.
$
$
$
$
$
$
8:
9
/
8
˽
I >> I >> I >>
˽
0RWRUULJKW36
0RWRUOHIW36
,QSXW
WKHUPLVWRU
SURWHFWLRQ
*URXSHUURU
2QWLPH
1RDFWLRQ
1RDFWLRQ
6ORZVSHHGPRGH
6WDUW
VORZ
ULJKW
6WDUW
VORZ
OHIW
6WDUW
ULJKW
VRIWVWDUW
(QJDJLQJ
FRRUGLQDWH
VZLWFK
HJ
6%.:
&RQWDFWPXOWLSOLFDWLRQ
13(9$&

+]
13(9$&

+]
6WDUWULJKW
6RIWVWDUWVWRS
VORZ
OHIW
VORZ
ULJKW

5HVHW
7ULS5HVHW
9'&RXW
)
6,725
RSWLRQ

Table of Contents

Other manuals for Siemens SIRIUS 3RW44

Related product manuals