EasyManua.ls Logo

Siemens SIRIUS 3RW44 - Soft Starters for Dahlander Motors with 2 Parameter Sets

Siemens SIRIUS 3RW44
255 pages
To Next Page IconTo Next Page
To Next Page IconTo Next Page
To Previous Page IconTo Previous Page
To Previous Page IconTo Previous Page
Loading...
Circuit Examples
SIRIUS 3RW44 System Manual
GWA 4NEB 535 2195-02 DS 04
9-13
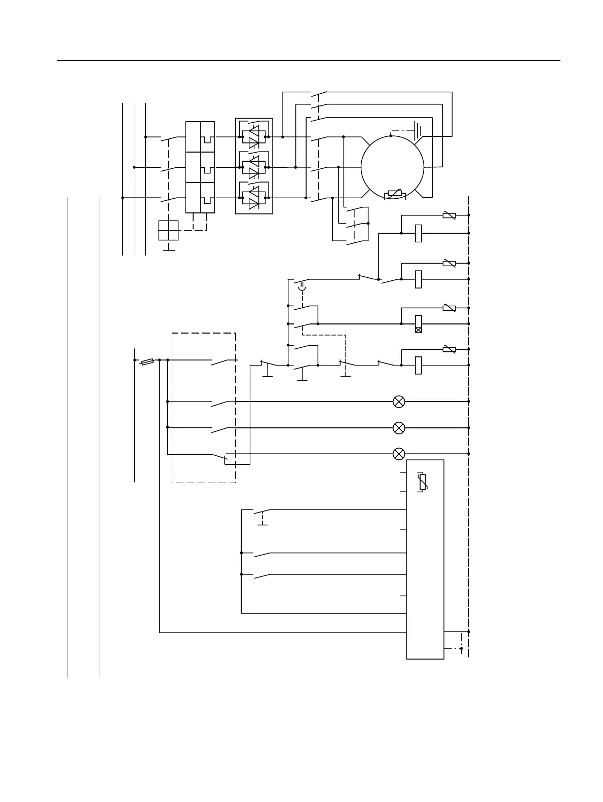
9.1.12Soft Starters for Dahlander Motors with 2 Parameter Sets
1) For permissible main and control voltage values, refer to Technical Data, Pages 10-8 to 10-12.
Notice
The "Coasting down" stopping mode must be set on 3RW44.
$
1
3(
3(
/
/
,1 ,1 ,1
,1
7 7
4
)
$
4
4
0
3(
8:
0
a
/
/
/
/
/
/
7 7
7
4



 


8
$
$
8
$
$
$
$
$
$
$
$
8
$
$
8
$
$
+
+
+
4
4 6
8:
9
9
4
4
4
4
4
4
4
4
.
/
4
.
.
I >> I >> I >>
˽
˽
0RWRUULJKW36
0RWRUULJKW36
,QSXW
WKHUPLVWRUSURWHFWLRQ
1RDFWLRQ
1RDFWLRQ
)DXOW
,QSXW
,QSXW
*URXSHUURU
IL[HG
DOORFDWLRQ
6
0RWRU
VWRS
6
6WDUWORZ
URWDWLRQDO
VSHHG
6
6WDUWKLJK
URWDWLRQDO
VSHHG
0RWRU
KLJKURWDWLRQDOVSHHG
6ZLWFKLQJGHOD\
PVGHOD\
0DLQFRQWDFWRU
ORZURWDWLRQDOVSHHG
0DLQFRQWDFWRU
KLJKURWDWLRQDOVSHHG
0RWRU
ORZURWDWLRQDOVSHHG
6WDUFRQWDFWRU
KLJKURWDWLRQDOVSHHG
13(9$&

+]
13(9$&

+]
7ULS5HVHW

5HVHW

Table of Contents

Other manuals for Siemens SIRIUS 3RW44

Related product manuals