EasyManua.ls Logo

Siemens SIRIUS 3RW44 - 3 RW44 in a Standard Circuit and Reversing Operation Via Main Contactors with One Parameter Set Without Soft Stop

Siemens SIRIUS 3RW44
255 pages
To Next Page IconTo Next Page
To Next Page IconTo Next Page
To Previous Page IconTo Previous Page
To Previous Page IconTo Previous Page
Loading...
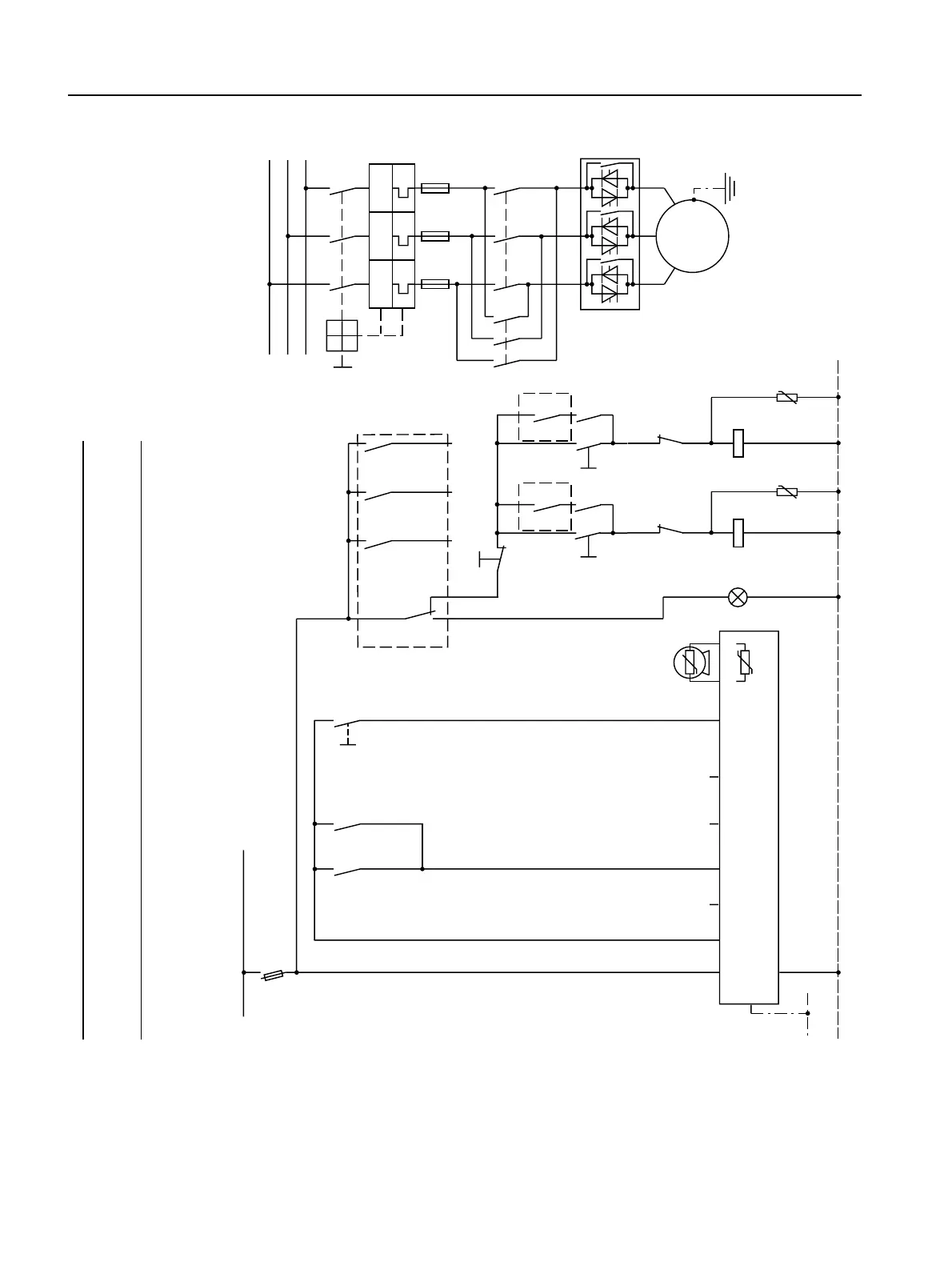
Circuit Examples
SIRIUS 3RW44 System Manual
9-10 GWA 4NEB 535 2195-02 DS 04
9.1.9 3RW44 in a Standard Circuit and Reversing Operation via Main Contactors with one
Parameter Set without Soft Stop
1) For permissible main and control voltage values, refer to Technical Data, Pages 10-8 to 10-12.
Notice
The "Coasting down" stopping mode must be set on the 3RW44.
$
1
3(
3(
/ / ,1 ,1 ,1 ,1 7 7
4
)
$
4
4
44
0
3(
0
a
/
/
/
/ / /
7 7 7
4
 


 
8
$
$
8
$
$
+
4 4 6
6
8:
9
/
4
4
44

I >> I >> I >>
˽
˽
)
6,725
RSWLRQ
4
6
4


4
6
4


0RWRU
ULJKW
0RWRU
OHIW
0RWRUULJKW36
,QSXW
WKHUPLVWRU
SURWHFWLRQ
*URXS
HUURU
2QWLPH
1RDFWLRQ
1RDFWLRQ
1RDFWLRQ
)DXOW
0RWRUULJKW
0RWRUOHIW
0RWRUVWRS
13(9$&

+]
13(9$&

+]
2QWLPH
7ULS5HVHW
9'&RXW
5HVHW

Table of Contents

Other manuals for Siemens SIRIUS 3RW44

Related product manuals