EasyManua.ls Logo

Skyjack SJ1044 TH - Hydraulic Schematic for Premium Joystick- SJ1256 THS

Skyjack SJ1044 TH
206 pages
Print Icon
To Next Page IconTo Next Page
To Next Page IconTo Next Page
To Previous Page IconTo Previous Page
To Previous Page IconTo Previous Page
Loading...
V
W
Y
Z
L
M N
O
F
G
H
K
X
I
J
EDCBA
U
T
S
R
103
SJ1044 TH, SJ1044 THS, SJ1056 TH, SJ1056 THS, SJ1256 THS
230790ABA
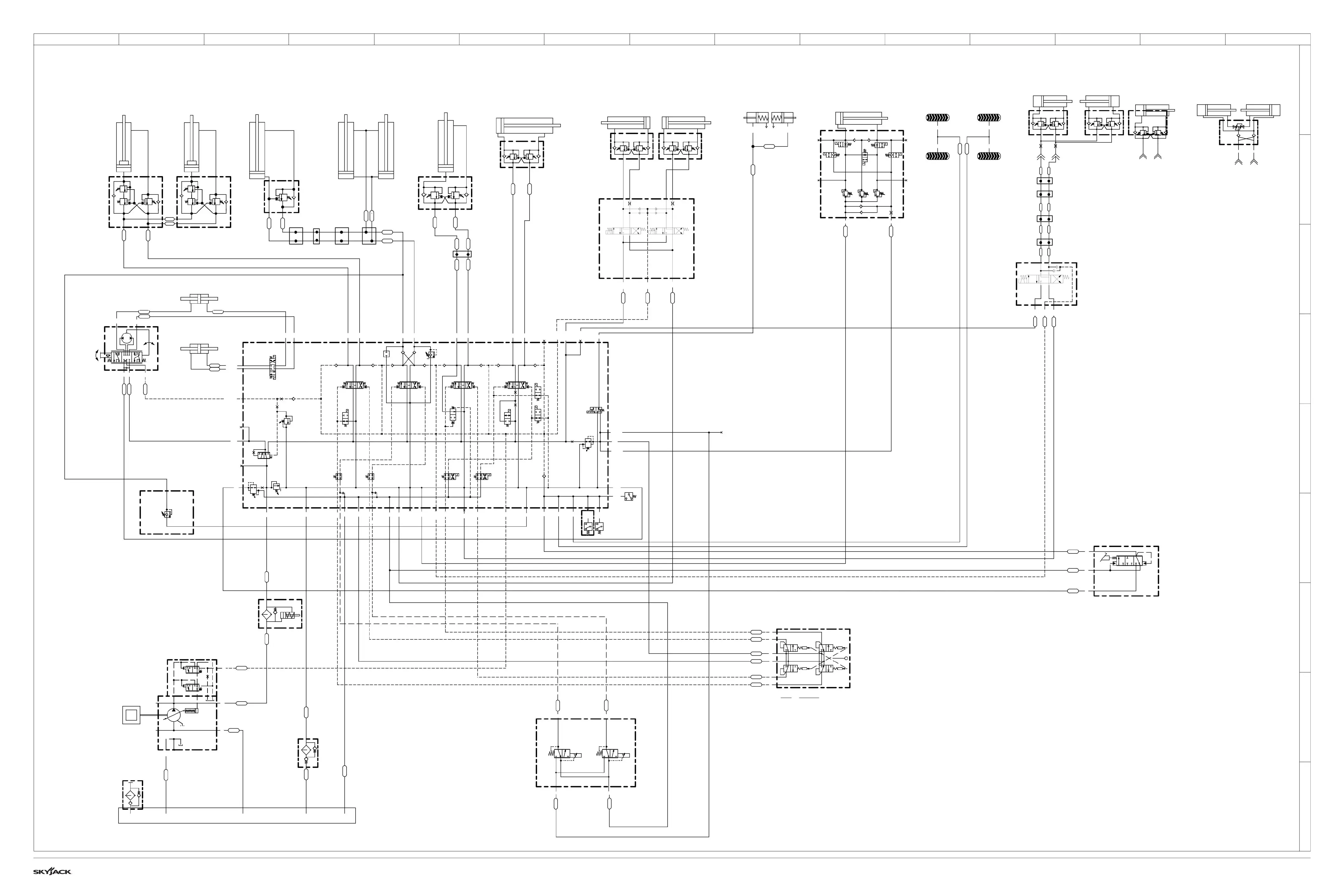
3.45 Hydraulic Schematic for Premium Joystick- SJ1256 THS
3.45 Hydraulic Schematic for Premium Joystick- SJ1256 THS
BULKHEAD #3
BULKHEAD #7
SAE 08
SAE 08 SAE 08
SAE 08 SAE 08
SAE 08
SAE 08
SAE 08
BULKHEAD #6
BULKHEAD #5
BULKHEAD #2
BULKHEAD #1
STEEL TUBE
STEEL TUBE
CB3
CB4
C1
C2
OSM1
P1
JS1
F2
V12
CB7
STEERING
CONTROL
UNIT
1SE90F35S4-SP4000 psi
1SEL140F40S-4496/1015
psi
BULKHEAD #4
SAE 12
SAE
20 SAE 16
SAE 08
SAE
04
SAE
04
SAE 04
SAE 04
SAE
04
SAE
04
SAE
06
SAE
06
SAE
06
SAE 08
SAE 04
SAE 08
SAE 06
SAE 06
SAE
06
SAE 06
1SE30F35S5-SP 4351
psi.
1SE30F35S5-SP 4351
psi.
CB6
SAE 12
SAE
12
SAE
12
SAE
12
SAE 12
SAE
12
SAE 08
SAE
08
SAE 08
SAE
08
SAE 04
SAE 08
SAE
08
SAE
08
4H-233
AUX. EXTEND
4H-234
AUX. RETRACT
CB5
BULKHEAD #3
SAE 08
SAE
08
SAE 08
SAE
08
SAE 08
SAE 08
C12
SAE 06
SAE 06
2600
PSI
4300
PSI
CRAB STEER
4H-217
4W STEER
4H-218
BOOM UP
2H-14A
ENABLE
FRAME RIGHT
4H-223-1
FRAME LEFT
4H-223
3H-26
PARK BRAKE
VALVE ASSEMBLY
MAIN CONTROL
MB1
V1
BOOM
V2
CARRIAGE
V3
TELESCOPIC
V4
FRAME
V5
RV2
RV1
RV3
2500
PSI
V6
V7 V8 V9
V10
V11
PD1
PR1
400
PSI
OR2
0.089"
OR5
0.063"
OR1
0.019"
CV6
CV10
CV4
CV3CV7CV1CV8CV2CV9
CV5
CV11
CV12
V14
MB2
CV13
V13
FRAME
2H-221
SLOW
V15
OR4
0.033"
CB11
CB8
C10- Bore 4.72 in
Stroke 13.74 in
LEFT
RIGHT
CB9 CB10
SAE 06
SAE 10
SAE 10
SAE 04
V25 V26
RETRACT
4H-227
EXTEND
4H-228
R1
E1
RETRACT
4H-225
EXTEND
4H-226
R2
E2
F1
520
PSI
650
PSI
3300
PSI
2 PSI
25 PSI
2H-221-2
UNLOCK
2H-221-1
UNLOCK
2H-65
RESTRICT
2H-65-1
RESTRICT
RV5
RV6
RV7
OR8
0.055"
CV14
CV15
CV17
CV16
2H-221-3
UNLOCK
MB4
MB5
1SE30F20S5
-SP3263 psi
1SE30F35S5
-SP5076 psi
SAE 04
SAE 04
SAE
16
SAE
32
3H-V1
PRESSURE
COMPENSATOR
3900 PSI
3H-V2
LOAD SENSE
COMPENSATOR
450 PSI
L L1
X
S
P
S-GP
P-GP
0.015"
FRAME LEFT
2H-28A
ENABLE
FRAME RIGHT
2H-28B
ENABLE
V17
V16
OR7
0.052"
CB1
CB2
1SEL90F30S 230/120
(5076) PSI
PRIMARY 5.6:1 (3336)
SECONDARY 0.7:1 (1740)
SAE 12
SAE 12
SAE 08
1SE90F35S4-150
(2176) PSI
SAE 08
V23
V24
V22
V20
V21
CV18
CV19
1
3
2
1SE30F20S5
-SP3263 psi
PR2
1500
PSI
1
3
2
CACL-LGN (6000) PSI 2:1
Bore 2.48 in
Stroke 10.24 in
OR9
0.055"
OR10
0.055"
CP2
EC1
2
1
RV4-1
4300
PSI
C3-Bore Ø 6.3 in
Stroke 38.2 in
C4-Bore Ø 6.3 in
Stroke 38.2 in
C5-Bore Ø 5.12 in
Stroke 137.81 in
C9-Bore Ø 4.53 in
Stroke 8.83 in
C11- Bore Ø 4.72 in
Stroke 13.74 in
C8-Bore Ø 4.53 in
Stroke 8.83 in
CB12
CB13
MANIFOLD,
DUAL
ELEC-HYD
SAE 04
SAE
04
SAE
04
V28V27
SAE 04
OR3
0.045"
OR12
0.125"
OR11
0.125"
RV4-1
MB6
MB7
PD2
PD1
5:1
5:1
5:1
5:1
5:1
4-4:1
CB14
C13
4:1
CB5
C6-Bore Ø 3.54 in
Stroke 17.5 in
C14-Bore Ø 3.54 in
Stroke 17.5 in
SAE 16 SAE 16
F3
50 PSI
CBCA-LHN(3700)3:1
CBCA-LHN(3700)3:1
MBDA-LJN(4400)3:1
205061
FRONT AXLE
STEER CYLINDER
REAR AXLE STEER
CYLINDER
PUMP COMP: 3900 PSI
62 cc/REV
2300 RPM
BOOM CYLINDERS
(CUSHIONS ON EXTEND)
EXTENSION
CYLINDER
SERVICE BRAKE
ACTUATOR
FRAME LEVEL
CYLINDER
SERVICE BRAKES
CARRIAGE TILT
CYLINDER
BOOM/TELESCOPE
TILT/FRAME LEVEL
JOYSTICK
PUMP
TANK
FILLER
FILTER
FUNCTION
PORT
SWING CARRIAGE
CYLINDER
(OPTIONAL)
TILT CARRIAGE
(OPTIONAL)
AUXILIARY
MANIFOLD
205058
205063
922265
205202
926370
205221
213510
205211
PARK BRAKE
205190
OUTRIGGER
CYLINDERS
205064
REAR AXLE STABILIZATION
CYLINDER/VALVE MANIFOLD ASS'Y
191832
OUTRIGGER
MANIFOLD
205191
198734
R.A.S.
MANIFOLD
RETURN
FILTER
1 PSI
PRESSURE
RELIEF
213232
206115
FORK POSITIONER
CARRIAGE
(OPTIONAL)
206172
206285
TILT COMPENSATION/SLAVE
CYLINDER
235269
235270
PRESSURE
FILTER
T
P
R
L
L R
L R
REAR AXLE
FRONT AXLE
LS
BOOM UP / CARRIAGE UP
TELESCOPE IN / FRAME LEVEL LEFT
BOOM DOWN / CARRIAGE DOWN
TELESCOPE OUT / FRAME LEVEL RIGHT
3
4
1
2
A
T
P
3
2
P
T
1
4
A
B
FRONT AXLE
RCL
RCR
FCR
ORBR
STLS
CF
SB
P12
T1
LA
LB
CA
CB
TA
TB
FA
FB
EF1
PB
PS
STT
PS2
BR3
BR2
BR1
J3
J1
DR2
J4
DRAIN
J2
AUX.
LS
LS
DR1
DR3
AUX.T
GP4
GP2
GP3
AUX
450
PS1
AUX
EF1
AUX.
LS
AUX.
T
P1
P1
P2 P2
P2 P2
RAST.
DR4
OUTT.
EF2
OUTT.
LS
E1R1 E2R2
OUTT.
LS
OUTT.
EF2
DR4
RAST.
50
GP1
GP2
GP4
GP3
RASP
RASP.
E
350
PS3
T2
GP1
B
A
P
D
P2
P1
A
B
F
M
B2
R2
B1
R1
CV21
CV20
FD1
M233023AC-S2

Table of Contents

Other manuals for Skyjack SJ1044 TH

Related product manuals