EasyManua.ls Logo

Skyjack SJ1044 TH - Page 154

Skyjack SJ1044 TH
206 pages
Print Icon
To Next Page IconTo Next Page
To Next Page IconTo Next Page
To Previous Page IconTo Previous Page
To Previous Page IconTo Previous Page
Loading...
154
SJ1044 TH, SJ1044 THS, SJ1056 TH, SJ1056 THS, SJ1256 THS
230790ABA
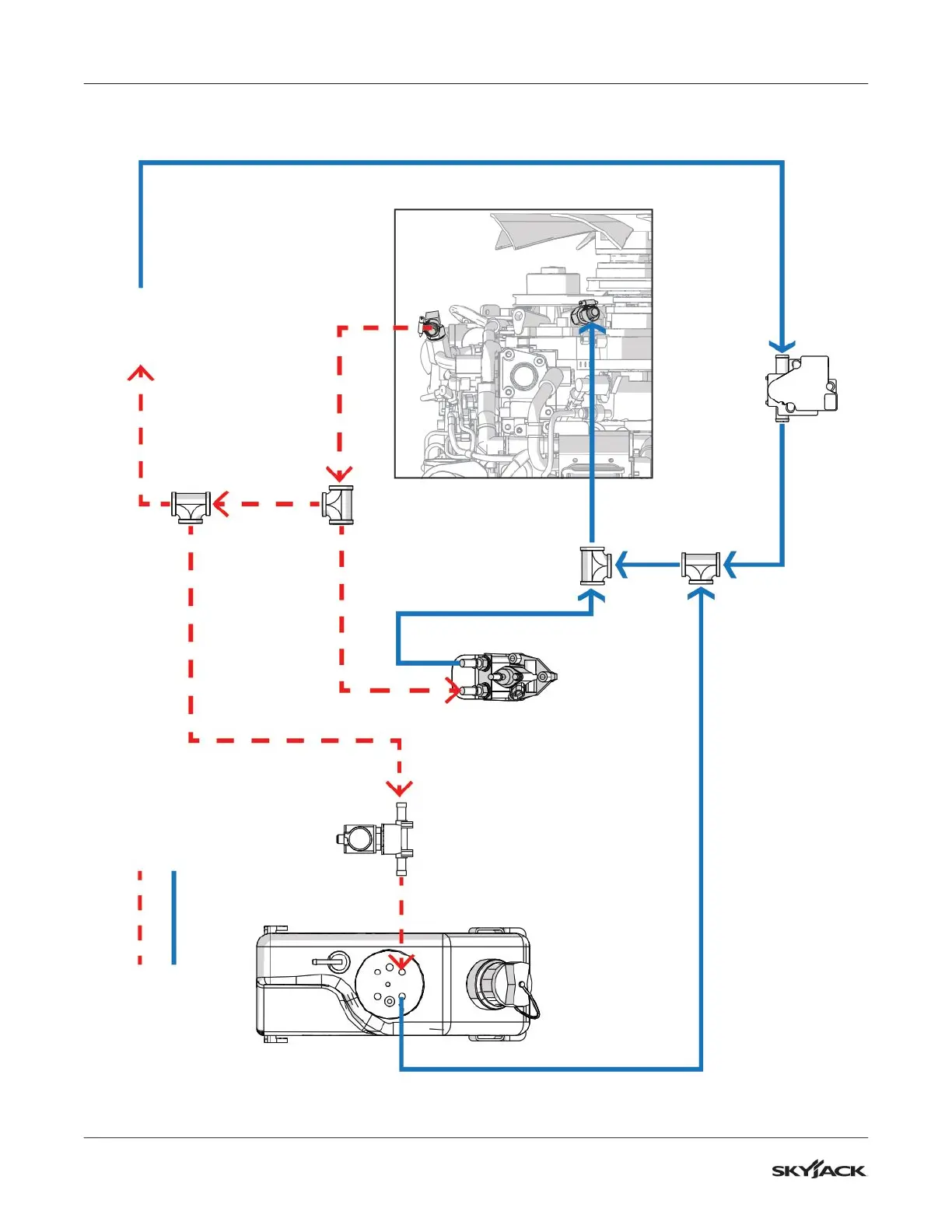
Section 5 – Procedures 1000 Hour or Annual Routine Maintenance
Enclosed Cab Plumbing
Cabin
Heater
Heating Line
Cooling Line
Solenoid
Valve
DEF Tank
DEF Injector
Motorized
Valve

Table of Contents

Other manuals for Skyjack SJ1044 TH

Related product manuals