EasyManua.ls Logo

Sony SLV-360 - Page 24

Sony SLV-360
127 pages
Print Icon
To Next Page IconTo Next Page
To Next Page IconTo Next Page
To Previous Page IconTo Previous Page
To Previous Page IconTo Previous Page
Loading...
SLV-360/390/390PX/660HF/690HF/L2MX/L2PA/L2PL/L4CS/
L4MX/L4PA/L4PL/L6HFCS/L6HFMX/L6HFPA/L6HFPL
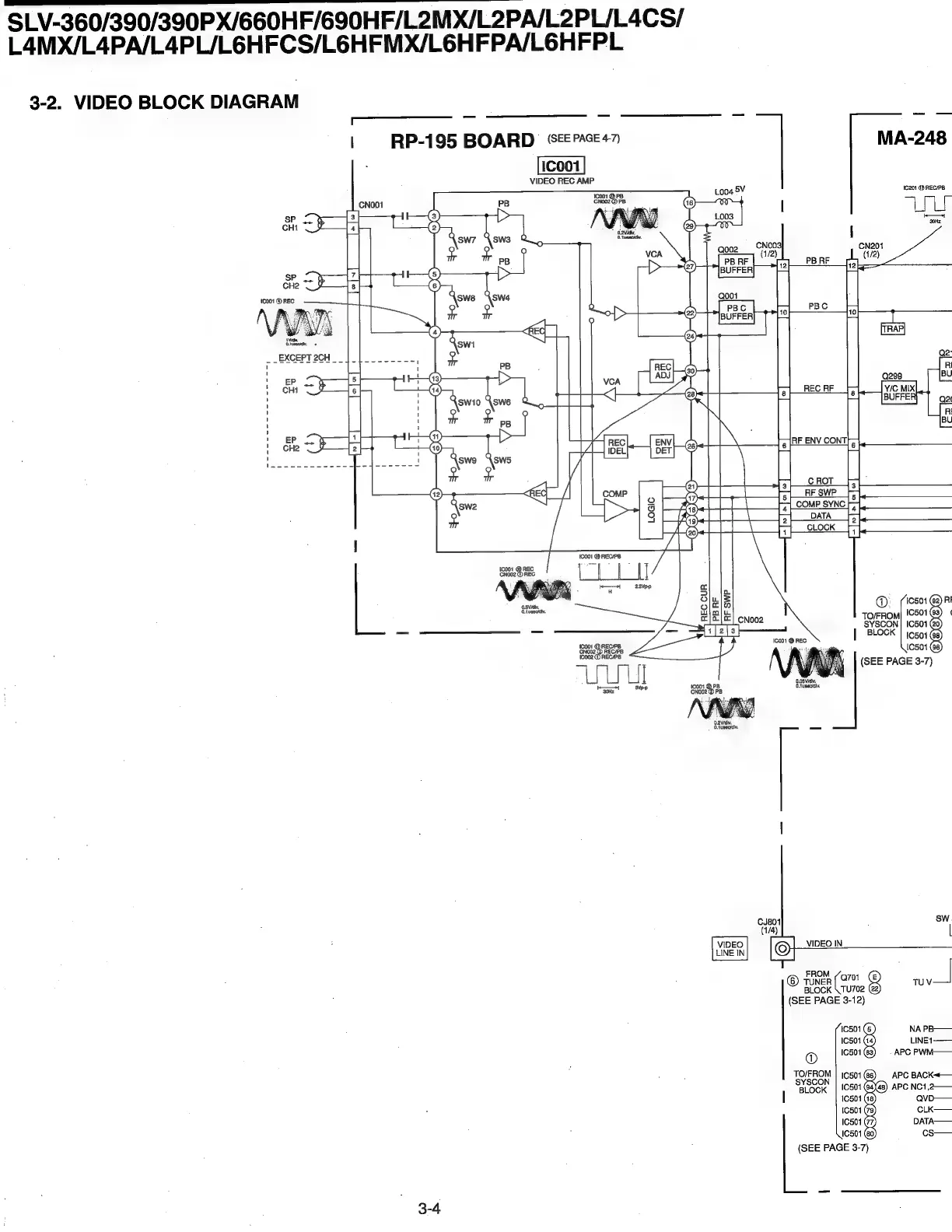
3-2.
VIDEO
BLOCK
DIAGRAM
tco01
©
REC
1¢001
@PB
CNO02
@
PB
sp
Zo
CHi
SP
CH2
|
MA-248
|
UT
|
3
EXCEPT
2CH
RF
ENV
CONT,
ePyelele]
eT
ep
Tas]
.
pe)
im
oO
=
TT
(C001
@
REC/PB
Lit
i
ok
eae
§C001
€)
REC/PB_
bene
VPP
3-4
REC
CUR
a
ee
CNo02
@
REC/PB
t
ICo02
©
REC/PB
1C001
@PB
CN002
@
PB
iL
ac
font
RF
SWP
CNoo2
|
BLOCK
|
icso1
(e)
eso
(6)
(SEE
PAGE
3-7)
@
_
(1c501
@2)
RF
To/FROM|
'C501(3)
<
SYSCON
|
IC501
(20)
1001
@
REC
Cu801
.
SW!
(1/4)
|
VIDEO
IN
TU
al
VIDEO
LINE
IN
FROM
©
TuNeR
{
970
BLOCK
\TU702
(SEE
PAGE
3-12)
10501
(5)
NA
PB—
10501
(14)
LINE1——
®
150163)
|=
APC
PWM——
TO/FROM
TOEROM
|
Icsot
(@6)
APC
BACK-«—
BLOCK
|
!C501
(4X48)
APC
NC1,2—
|
10501
(8)
QvD—
(C501
(73)
cLK——
1C501
7)
DATA——
1501
(Go)
cs—
(SEE
PAGE
3-7)

Table of Contents

Related product manuals