EasyManua.ls Logo

Sony SLV-360 - Page 25

Sony SLV-360
127 pages
Print Icon
To Next Page IconTo Next Page
To Next Page IconTo Next Page
To Previous Page IconTo Previous Page
To Previous Page IconTo Previous Page
Loading...
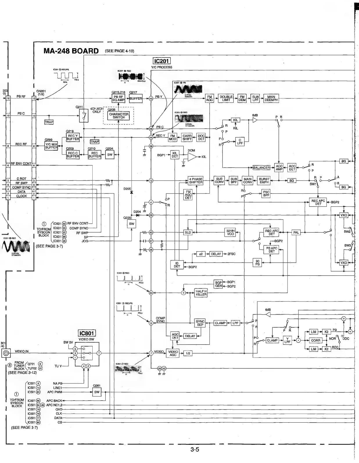
MA-248
BOARD
ccPsce
410,
YIC
PROCESS
1C201
@
REC/PB
1c201
@
REC
;
t
|
PE
aol
mee
7
bei
10201
@
PB
|
Q215.216
217
65)
FM
||
vouste|_.|
em
|,
sus]_,/_
main
V
acc||
UMIT
|*|DEM|™]
LPF
||
DEEMPH|
E
a
ee
ee
“Po
eet
ae
so)
|
|
CHARACTER|
|
6dB
TCH
|!
PR
I
i
Be
oon
Dee
——
a
c
7
LPF
KIL
Y
=
|
BG
|
accl,,
|
acc
BALANCER
Agel]
Acta
oe
R
P
QA
sus
|,J
sus|_,J
main
||
sursT
mae
CONV
suel
f
wale]
aust
+—+{
BG}
aw
OB
T
D205
°
L
a
ke
@
1501
G2)
RF
ENV
CONT—
TO/FROM|
'C501(3)
COMP
SYN
iN
Ico01
@
REG
(SEE
PAGE
3-7)
O.05Viel,
O-fusecidiv,
;
SYSCON
}
IC501
(20)
RE
Swep———
|
BLOCK
|
ics01
Gs)
sp-—————_
IC501
(8)
JOG
Q220
1201
@
REC
LILA
a,
ee
&)
BGP1
BGP2
BGP
GEN
HALFH
©
KILLER
\c201
®
REC/PB
hop
i
A
5
;
PB
LIM
b>}
Ke
age
DELAY
i
VIDEO
SW
CORR
NOR
\
DDC
!
301
SW
5V
|
ia
)
Lim
}o{
ke
RES
VIDEQ
IN
(7)
VIDEO,
VIDEO
ri
|
mal
FROM
Q701
TUNER
BLOCK
\TU702
@
Me
(20X42)
(SEE
PAGE
3-12)
I
5
10501
(5)
NA
PB
1501
(14)
LINE1
Geet
@
IC501(63)
|
APC
PWM
i
TO/FROM
u
TOEROM
|
Ics01@s)_
APC
BACK
t
BLOCK
|
IC501
(4X48)
APC
NC1,2—
=i
i
|
10501
(18)
avp
7
1C501
Gs)
CLK:
1
10501
(7)
DATA
4
{
10501
Go)
cs.
|
(SEE
PAGE
3-7)

Table of Contents

Related product manuals