EasyManua.ls Logo

Sony SLV-360 - Page 59

Sony SLV-360
127 pages
Print Icon
To Next Page IconTo Next Page
To Next Page IconTo Next Page
To Previous Page IconTo Previous Page
To Previous Page IconTo Previous Page
Loading...
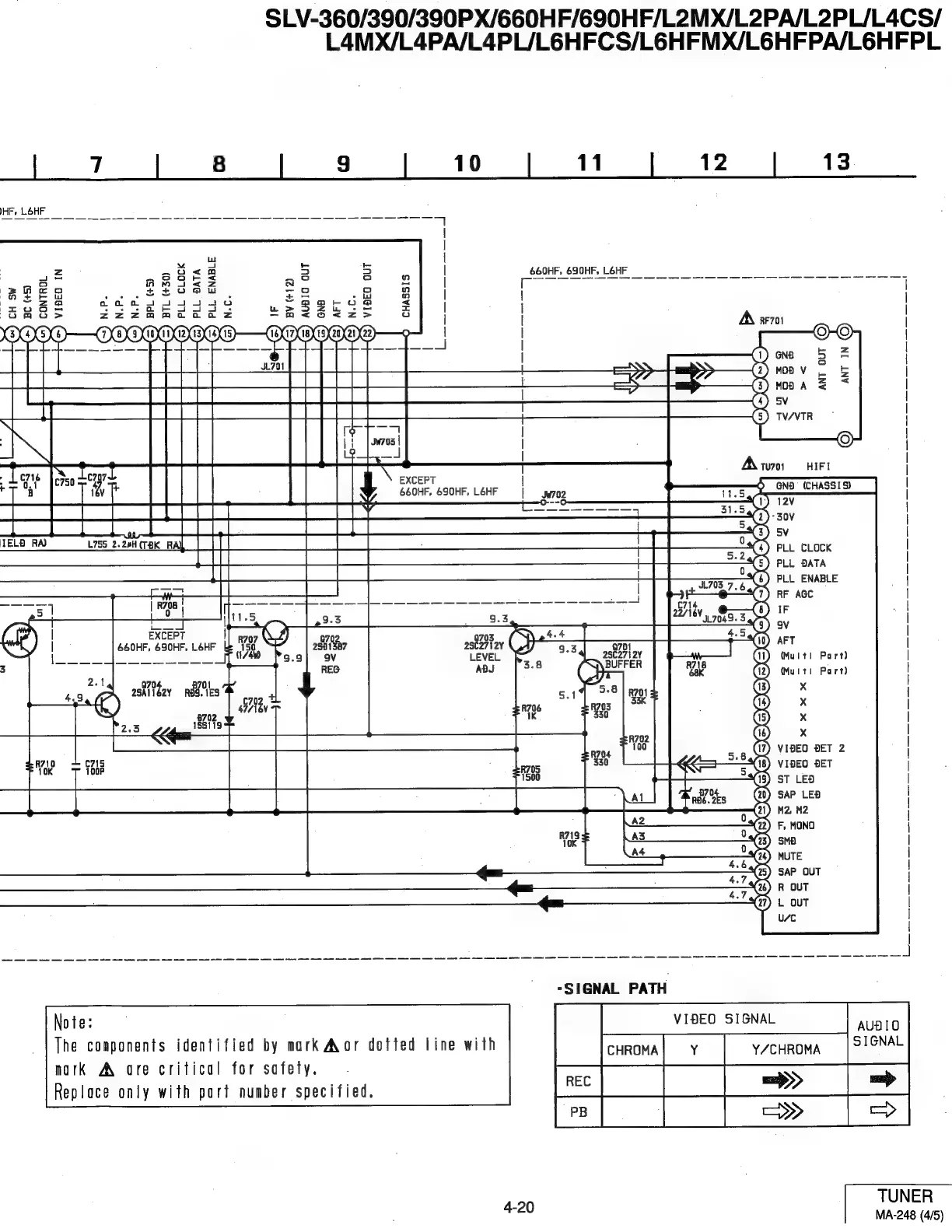
SLV-360/390/390PX/660HF/690HF/L2MX/L2PA/L2PL/L4CS/
L4MX/L4PA/L4PL/L6HFCS/L6HFMX/L6HFPA/L6HFPL
7
8
9
10
11
12
13
IHF,
L&HF
rc
|
|
|
|
|
|
a
a
ares
f
i
Ht
tev
[*
P=
eee
a
eS
BERR
haa
ee
TELD
RA)
L755
2.2K
RAL
|
11)
Ss
PLL
CLOCK
PLL
BATA
PLL
ENABLE
ar
ia
Ck
es
ae
ee
|
RF
AGC
——
ee
|S
SS
SS
SS
AES
GS
SS
SS
Se
es
ee
ail
es
‘ee
ee
em
C714
IF
ee
.
.
VEY
7949
3
QV
|b
AFT
ay
(Multi
Part)
(Multi
Part)
0704.
2S5A1162Y
rdaciks
VIBEO
BET
2
VIDEO
BET
(13)
ST
LED
SAP
LEB
-SIGNAL
PATH
Note:
The
components
identified
by
mark
Aor
dotted
line
with
mork
AV
are
critical
for
safety.
Replace
only
with
port
number
specified.
VIBEO
SIGNAL
AUDIO
=|
[|
reff
TUNER
4-20
MA-248
(4/5)

Table of Contents

Related product manuals