EasyManua.ls Logo

Sony SLV-360 - Page 60

Sony SLV-360
127 pages
Print Icon
To Next Page IconTo Next Page
To Next Page IconTo Next Page
To Previous Page IconTo Previous Page
To Previous Page IconTo Previous Page
Loading...
i
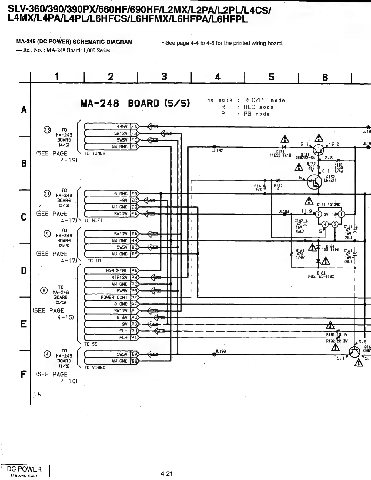
SLV-360/390/390PX/660HF/690HF/
L2MX/L2PA/L2PL/L4CS/
L4MX/L4PA/L4PL/L6HFCS/L6HFMX/L6HFPA/L6HFPL
MA-248
(DC
POWER)
SCHEMATIC
DIAGRAM
*
See
page
4-4
to
4-6
for
the
printed
wiring
board.
Ref.
No.
:
MA-248
Board:
1,000
Series
MA~248
BOARD
(5/5)
°°
"2":
BEC/PB
nose
P
:
PB
mode
5
Fs
——=
:
@
10
Pie
JLT9
ma-248
|
Qs
SWI2V
[FED
=
Boao
|
(~_Svev
[reo
A.
A
se
47s)
|
(AN
ono
[rap
:
(SEE
PAGE
TO
TUNER
4-19)
en
Ce
ae
BOAR
ee
B75)
(SEE
PAGE
4-17)
TO
HIFI
ie
a
See
eel
Bi
poara
|
(AN
ono
[ox
G7)
a
eet
I
|
(SEE
PAGE
C
AU
GNA
[8
4-17)
To
10
Caer
Pp
et
(an
on
|
®
wire
|
|
=a
BOAR
a
me
oT
(SEE
PAGE
(Swi
2v
IPL
in
4-15)
a
eh
et
ga
(ot)
et
FL+
[PID
TO
ss
5
aA
oa
(SWS
[BAe
mo
om
BOARD
(
Bea
A
a/5)
TO
VIDEO
(SEE
PAGE
4-10)
16
|
DC
POWER
|
MA_942
(R/R\
4-21

Table of Contents

Related product manuals