EasyManua.ls Logo

Sony SLV-360 - Page 61

Sony SLV-360
127 pages
Print Icon
To Next Page IconTo Next Page
To Next Page IconTo Next Page
To Previous Page IconTo Previous Page
To Previous Page IconTo Previous Page
Loading...
6
7
8
9
10
11
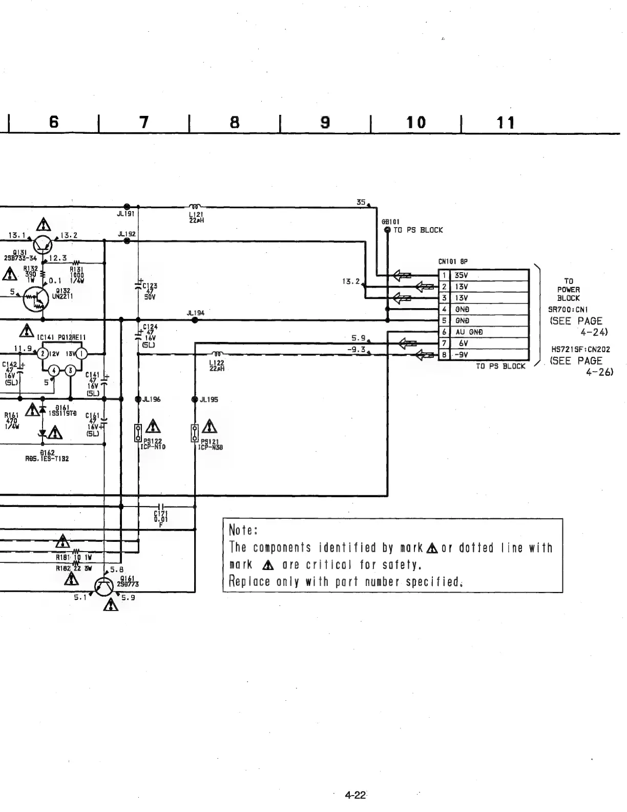
35
JL191
GB101
@
TO
PS
BLOCK
1
wo
<
joo
[sa fom
[on]
m
[ours
|
=]
>
—|—|n
2|&|2/2|2/2/2
2
g
|
TO PS
BLOCK
8162
ROS.
1ES-TIBZ
Note:
za
The
components
identified
by
mark
Aor
dotted
line
with
R181:
10
iW
wig
Ria
aw
mark
AV
are
criticol
for
safety.
Replace
only
with
part
number
specified,
5.1
4-22
TO
POWER
BLOCK
SR700:CNI
(SEE
PAGE
4-24)
HS721SF:CN202
_
(SEE
PAGE
4~26)

Table of Contents

Related product manuals