EasyManua.ls Logo

Space ER232R - Connection Diagram

Space ER232R
95 pages
Print Icon
To Next Page IconTo Next Page
To Next Page IconTo Next Page
To Previous Page IconTo Previous Page
To Previous Page IconTo Previous Page
Loading...
GB
Page 58 of 58
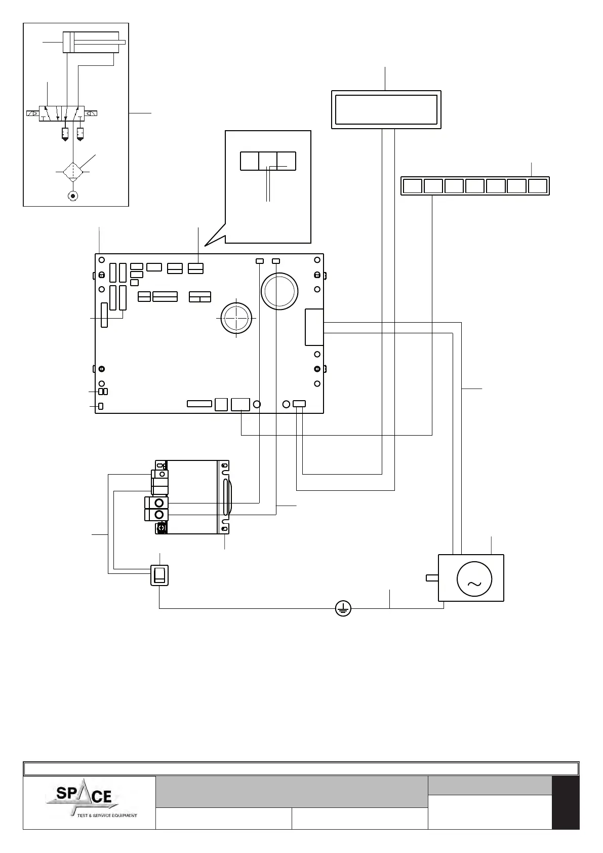
ELECTRICAL AND PNEUMATIC
CONNECTION DIAGRAM
Table N°A - Rev. 0
15
PIEZO
REAR
PIEZO
FRONT
DISC
ENCODER
GUARD
POWER SUPPLY SWITCH
WITH PLUG
1
2
3
4
5
6
7
GND
JP17
JP25
JP31
JP6
JP17B
JP17A
JP27
JP7
JP28
JP1
JP3
JP8
JP4
JP5
USB
JP16
JP15A
JP15
JP23
JP22
JP21
JP18
JP19
-
+
JP11
+
-
JP12
8
10
11
12
13
14
+24
14
LCD
9
M
16
17
18
1296-M010-0_P
Space s.r.l.
ER232R - ER234R - ER236R - ER238R - ER238RFM - ER248R - ERP248R
KEY
1 LCD Display
2 CPU Card
3 Transformer
4 Power supply switch with plug
5 Motor
6 Keyboard
7 Ground cable
8 Connection cable from switch to trans-
former
9 Card power supply cables
10 Motor cables
11 Front piezo
12 Rear piezo
13 Encoder disc
14 Carter micro
15 Pneumatic tightening diagram
(only for ERP248R)
16 Tightening drive cylinder
17 5/2 NC solenoid valves
18 Separating filter

Table of Contents

Related product manuals