EasyManua.ls Logo

strapex SMA 20 - Electric Diagram

strapex SMA 20
Print Icon
To Next Page IconTo Next Page
To Next Page IconTo Next Page
To Previous Page IconTo Previous Page
To Previous Page IconTo Previous Page
Loading...
02.11
Strapex SMA 20
51
10
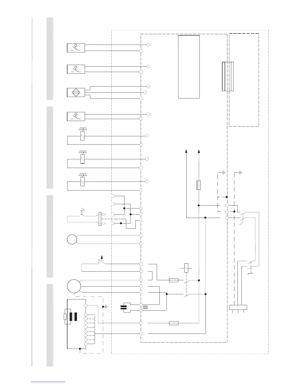
ELEKTROSCHEMA ELECTRIC DIAGRAM SCHÉMA ÉLECTRIQUE SCHEMA ELETTRICO
230 V
M1
M2 S5 Y3 Y2 Y1 B4 B3 B1
AB
C
F1
Kippschalter
Toggle switch
Interrupteur basculant
Interrutore a levetta
Netzstecker
Main plug
Contact à fiches
Connettore di rete
M1
M2
N
PE
L
bn bl
sw rt bl
sw
bl-
sw
bl-
sw
bl-
sw
rt+
bl-
sw
rt+
sw
rt+
Bedienungstableau
Control panel
Tableau de commande
Pannello di comando
Stecker 20 pol.
Plug 20 term.
Fiches 20
Connettore 20 poli
E
N
P
Q1
Steuerung
Controller
Systeme de commande
Comando elettrico
T1 R1
230 V =
12345678
PE
1
2
Q2
1
2
bnsw
bl
F2
F3
230 V = 7 AT
1 AT
230 V = 3 AT
1821.152.039
B2
sw
rt+
Hauptschalter
Main switch
Interrupteur principal
Interrutore principale
Q3
PCB1

Table of Contents

Related product manuals