EasyManua.ls Logo

Subaru Impreza 2004 - Cylinder Head and Camshaft

Subaru Impreza 2004
796 pages
Print Icon
To Next Page IconTo Next Page
To Next Page IconTo Next Page
To Previous Page IconTo Previous Page
To Previous Page IconTo Previous Page
Loading...
ME(H4SO)-9
MECHANICAL
General Description
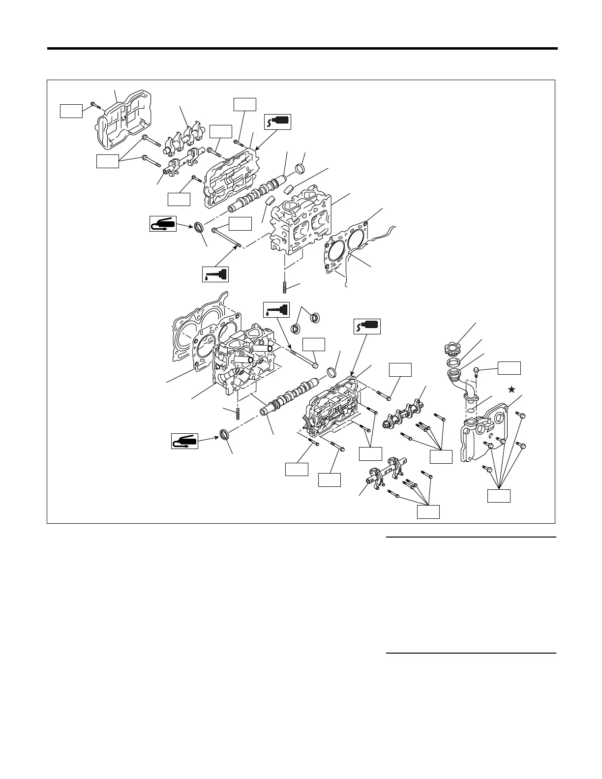
2. CYLINDER HEAD AND CAMSHAFT
(1) Rocker cover (RH) (11) Cylinder head (LH) Tightening torque: N·m (kgf-m, ft-lb)
(2) Intake valve rocker ASSY (12) Camshaft (LH) T1: <Ref. to ME(H4SO)-62,
INSTALLATION, Cylinder Head
Assembly.>
(3) Exhaust valve rocker ASSY (13) Camshaft cap (LH)
(4) Camshaft cap (RH) (14) Oil filler cap
(5) Oil seal (15) Gasket T2: 5 (0.5, 3.6)
(6) Camshaft (RH) (16) Oil filler duct T3: 10 (1.0, 7.2)
(7) Plug (17) O-ring T4: 18 (1.8, 13.0)
(8) Spark plug pipe gasket (18) Rocker cover (LH) T5: 25 (2.5, 18.1)
(9) Cylinder head (RH) (19) Stud bolt T6: 6.4 (0.65, 4.7)
(10) Cylinder head gasket
ME-00186
(17)
(10)
(11)
(19)
(12)
(13)
(14)
(15)
(16)
(18)
(2)
(3)
(8)
(5)
(1)
(2)
(3)
(4)
(8)
(6)
(7)
(8)
(7)
(9)
(10)
(19)
T2
T5
(5)
T4
T5
T6
T1
T1
T3
T5
T2
T3
T3
T4
T3
T4

Table of Contents

Other manuals for Subaru Impreza 2004

Related product manuals