EasyManua.ls Logo

Subaru Impreza 2004 - Page 103

Subaru Impreza 2004
796 pages
Print Icon
To Next Page IconTo Next Page
To Next Page IconTo Next Page
To Previous Page IconTo Previous Page
To Previous Page IconTo Previous Page
Loading...
ME(H4SO)-10
MECHANICAL
General Description
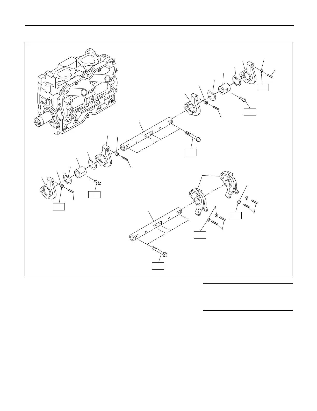
3. VALVE ROCKER ASSEMBLY
(1) Intake valve rocker arm (5) Rocker shaft support Tightening torque: N·m (kgf-m, ft-lb)
(2) Valve rocker nut (6) Intake rocker shaft T1: 5 (0.5, 3.6)
(3) Valve rocker adjust screw (7) Exhaust rocker shaft T2: 10 (1.0, 7.2)
(4) Spring (8) Exhaust valve rocker arm T3: 25 (2.5, 18.1)
ME-00187
(2)
(2)
(2)
(3)
(3)
(3)
(3)
(4)
(5)
(4)
(1)
(2)
(6)
(8)
(7)
(1)
(2)
(2)
(3)
(3)
(4)
(4)
(1)
(5)
(1)
T2
T1
T3
T1
T2
T3
T2
T2

Table of Contents

Other manuals for Subaru Impreza 2004

Related product manuals