EasyManua.ls Logo

Subaru Impreza 2004 - Page 166

Subaru Impreza 2004
796 pages
Print Icon
To Next Page IconTo Next Page
To Next Page IconTo Next Page
To Previous Page IconTo Previous Page
To Previous Page IconTo Previous Page
Loading...
ME(H4SO)-70
MECHANICAL
Cylinder Block
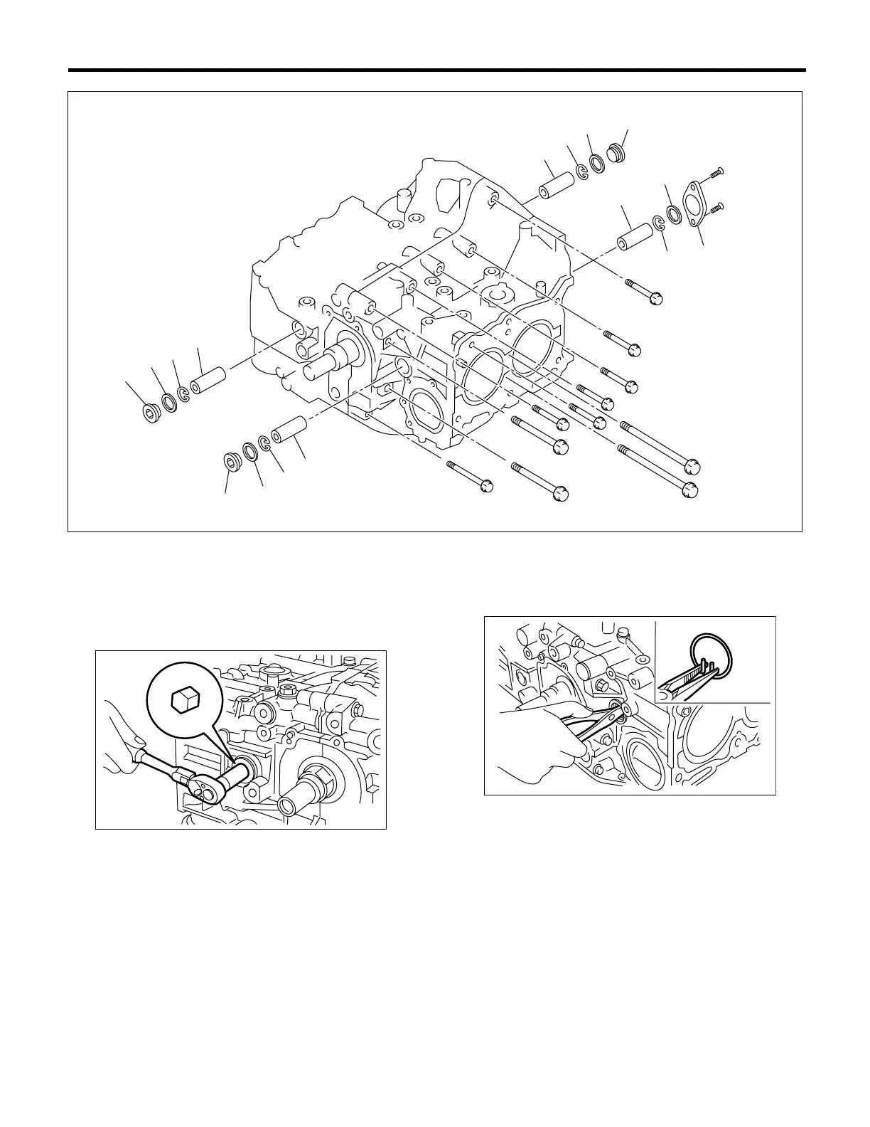
27) Remove the service hole cover and service
hole plugs using hexagon wrench [14 mm (0.55
in)].
28) Rotate the crankshaft to bring #1 and #2 pis-
tons to bottom dead center position, and then re-
move the piston circlip through service hole of #1
and #2 cylinders.
ST 499897200 PISTON CIRCLIP PLIER
29) Draw out the piston pin from #1 and #2 pistons
using ST.
ST 499097700 PISTON PIN REMOVER
(1) Service hole plug (3) Circlip (5) Service hole cover
(2) Gasket (4) Piston pin (6) O-ring
ME-00140
ME-00141
ME-00139
(3)
(4)
(2)
(1)
(3)
(4)
(5)
(6)
(2)
(3)
(2)
(1)
(3)
(4)
(4)
(1)

Table of Contents

Other manuals for Subaru Impreza 2004

Related product manuals