EasyManua.ls Logo

Subaru Impreza 2004 - Page 198

Subaru Impreza 2004
796 pages
Print Icon
To Next Page IconTo Next Page
To Next Page IconTo Next Page
To Previous Page IconTo Previous Page
To Previous Page IconTo Previous Page
Loading...
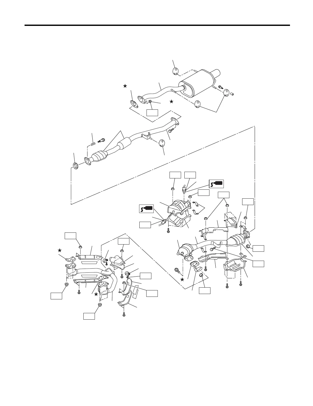
EX(H4SO)-4
EXHAUST
General Description
2. 2.0 L
EX-00124
T7
T1
T6
T2
T2
T3
T6
T5
T5
T1
T2
T2
(16)
(16)
(16)
(28)
(18)
(19)
(29)
(30)
(31)
(21)
(22)
(20)
(27)
(23)
(26)
(24)
(1)
(2)
(3)
(3)
(4)
(5)
(6)
(7)
(8)
(25)
(11)
(17)
(10)
(9)
(15)
(13)
(14)
T5
T2
(12)
(12)
T4
T4

Table of Contents