EasyManua.ls Logo

Subaru Impreza 2004 - Page 557

Subaru Impreza 2004
796 pages
Print Icon
To Next Page IconTo Next Page
To Next Page IconTo Next Page
To Previous Page IconTo Previous Page
To Previous Page IconTo Previous Page
Loading...
EN(H4SO)(diag)-248
ENGINE (DIAGNOSTICS)
Diagnostic Procedure with Diagnostic Trouble Code (DTC)
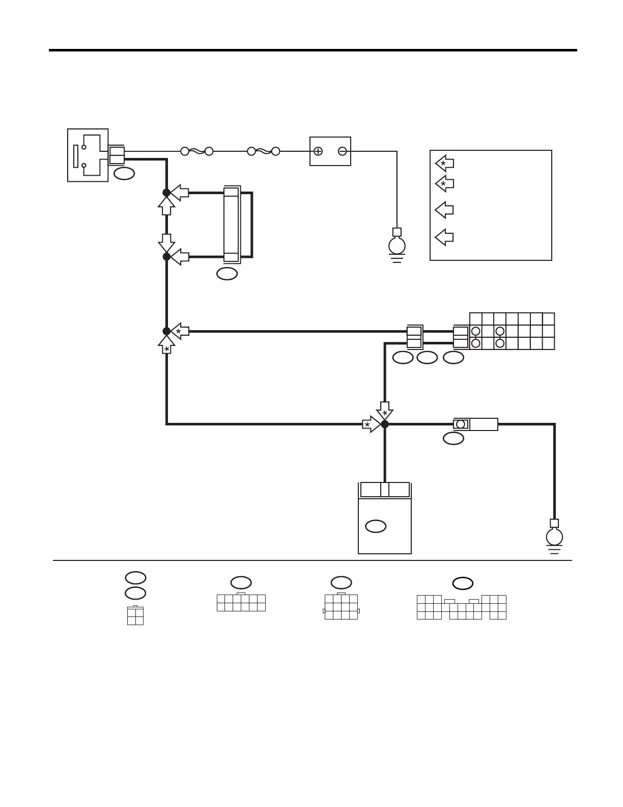
WIRING DIAGRAM:
EN-02607
12
7
P
R N D 3 2 1
SBF-4
SBF-1
B14
B72
12
11
T7T3B12
1
3
1
2
1
2
T7
1 2 3
4 5 6
7 8 9
10 11 12
B72
20
B136
ECM
: AT MODEL
: MT MODEL
1
2
B12
1 2 3 4
5 6 7 8
9
10 11 12
B136
5
2
8
4
3
9
2320 21
10 11
22
16
17
24
25
12
13
6
26
19
15
14
1
7
18
34
12
E
E
WS
WS
OS
OS
4
2
B323
B323
: WITH SECURITY
EXCEPT FOR
AUSTRALIA MODEL
: WITH SECURITY
FOR AUSTRALIA MODEL
AND WITHOUT SECURITY
WS
OS
IGNITION
SWITCH
BATTERY
INHIBITOR SWITCH
STARTER
MOTOR

Table of Contents

Other manuals for Subaru Impreza 2004

Related product manuals