EasyManua.ls Logo

Subaru Impreza 2004 - Page 582

Subaru Impreza 2004
796 pages
Print Icon
To Next Page IconTo Next Page
To Next Page IconTo Next Page
To Previous Page IconTo Previous Page
To Previous Page IconTo Previous Page
Loading...
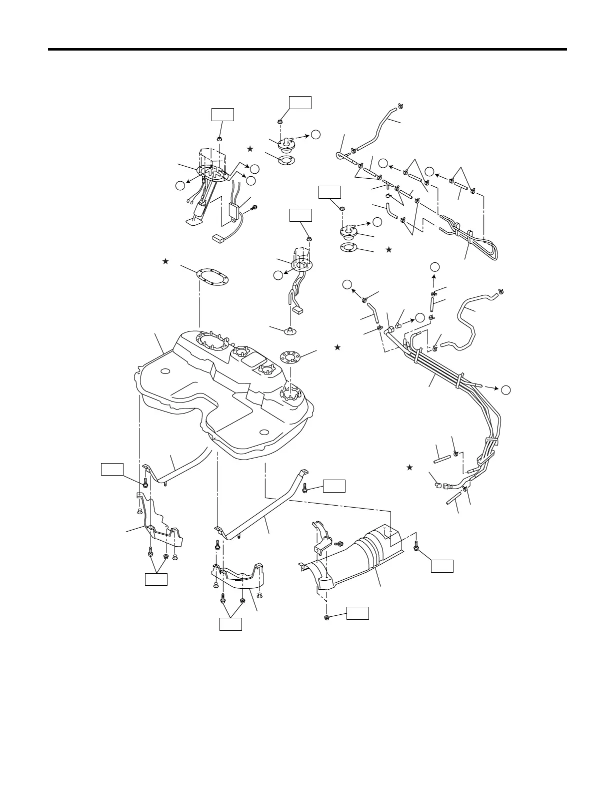
FU(H4SOw/oOBD)-9
FUEL INJECTION (FUEL SYSTEMS)
General Description
2.5 L MODEL
FU-00909
T1
T1
T3
T2
T2
T2
T2
T3
(7)
(6)
(8)
(9)
(10)
(10)
(9)
(19)
(18)
(22)
(12)
(12)
(12)
(23)
(12)
(12)
(24)
(25)
(12)
(21)
(20)
(1)
(2)
(3)
(4)
(2)
(5)
A
B
(28)
(29)
(16)
F
F
A
E
T1
T1
D
C
D
C
(20)
(12)
(12)
(12)
(12)
(12)
(29)
(13)
(14)
(11)
(17)
(30)
(27)
(26)
(15)
E
B

Table of Contents