EasyManua.ls Logo

TechnipFMC Sening MultiLevel - Page 212

TechnipFMC Sening MultiLevel
230 pages
Print Icon
To Next Page IconTo Next Page
To Next Page IconTo Next Page
To Previous Page IconTo Previous Page
To Previous Page IconTo Previous Page
Loading...

MultiLevel Instruction Manual Drawings and Approvals
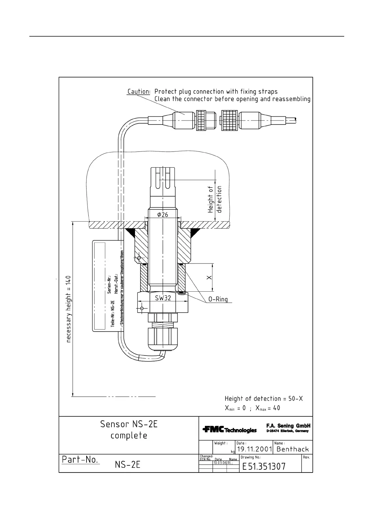
17.1.15. 51.351307 – Sensor NS-2E, complete

Table of Contents

Related product manuals