EasyManua.ls Logo

Toa RM-200M - Connecting Power Supply Equipment

Toa RM-200M
105 pages
Print Icon
To Next Page IconTo Next Page
To Next Page IconTo Next Page
To Previous Page IconTo Previous Page
To Previous Page IconTo Previous Page
Loading...
97
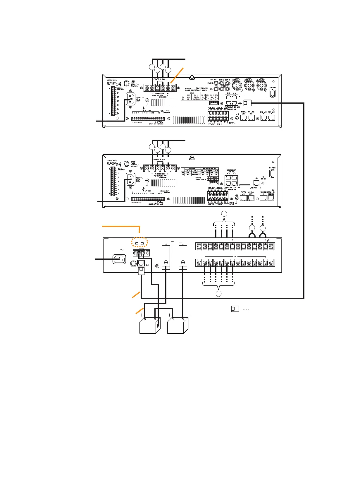
Lead-acid Battery
DC power
output terminals
(–)
(–)(–)(+)(+)
(–)(–)(+)(+)
DC power
input terminals
VM-3240E
( )
120V
60Hz 240W
615432615432
DC POWER OUT (+) MAX 25A (DC 20V
-
40V)
PS IN (+) MAX 25A (DC20V
-
40V)
DS – SFFUSE
LINK
DETECT(VX-200PS)
OFFONON OFF
THERMISTOR
PS3 PS2
1,2:PS1
PS IN
5,6:PS3
3,4:PS2
See “Note” below.
BATTERY POWER IN
24V MAX150A
(CHARGING OUTPUT: 27.3V MAX5A)
( ) ( )
RJ45 male connector
VX-2000DS
Cat. 5 STP
Caution
The charging current from the VX-2000DS is 5 A maximum.
120 V AC
60 Hz
120 V AC
60 Hz
120 V AC
60 Hz
d
a
a
b
c
c
VM-3240VA
From VX-2000DS
From VX-2000DS
d
d
b
c
d
d
Note
Remove the short bar attached at the factory.
Note
Make PS2 and PS3 switch settings according to the total number of connected power supply units
VM-3240VA and VM-3240E (power supply unit incorporated); set PS2 to ON for 2 units, and PS2 and
PS3 to ON for 3 units.
Note that these power supply units should be connected to the PS IN (+) terminals 1 and 2 for the 1st
unit, 3 and 4 for the 2nd unit, and 5 and 6 for the 3rd unit.
AWG 6 – AWG 0
(AWG 1/0)
13.9. Connecting Power Supply Equipment

Table of Contents

Other manuals for Toa RM-200M

Related product manuals