EasyManua.ls Logo

Toradex Verdin - Page 34

Toradex Verdin
111 pages
Print Icon
To Next Page IconTo Next Page
To Next Page IconTo Next Page
To Previous Page IconTo Previous Page
To Previous Page IconTo Previous Page
Loading...
Verdin Carrier Board Design Guide
Preliminary Subject to Change
Toradex AG l Ebenaustrasse 10 l 6048 Horw l Switzerland l +41 41 500 48 00 l www.toradex.com l info@toradex.com
Page | 34
The following schematic example shows a DVI-D implementation, since the Verdin module does
not provide an VGA output. The DDC signals require a level shifter since the signal level on the
Verdin module is 1.8V while the DVI uses 5V. The same is necessary for the hot plug detect signal.
The TDMS signals need to be ESD protected using diodes. The schematic example shows a discrete
solution for the level shifting and protection. There are integrated solutions also available.
Figure 28: DVI-D reference schematic
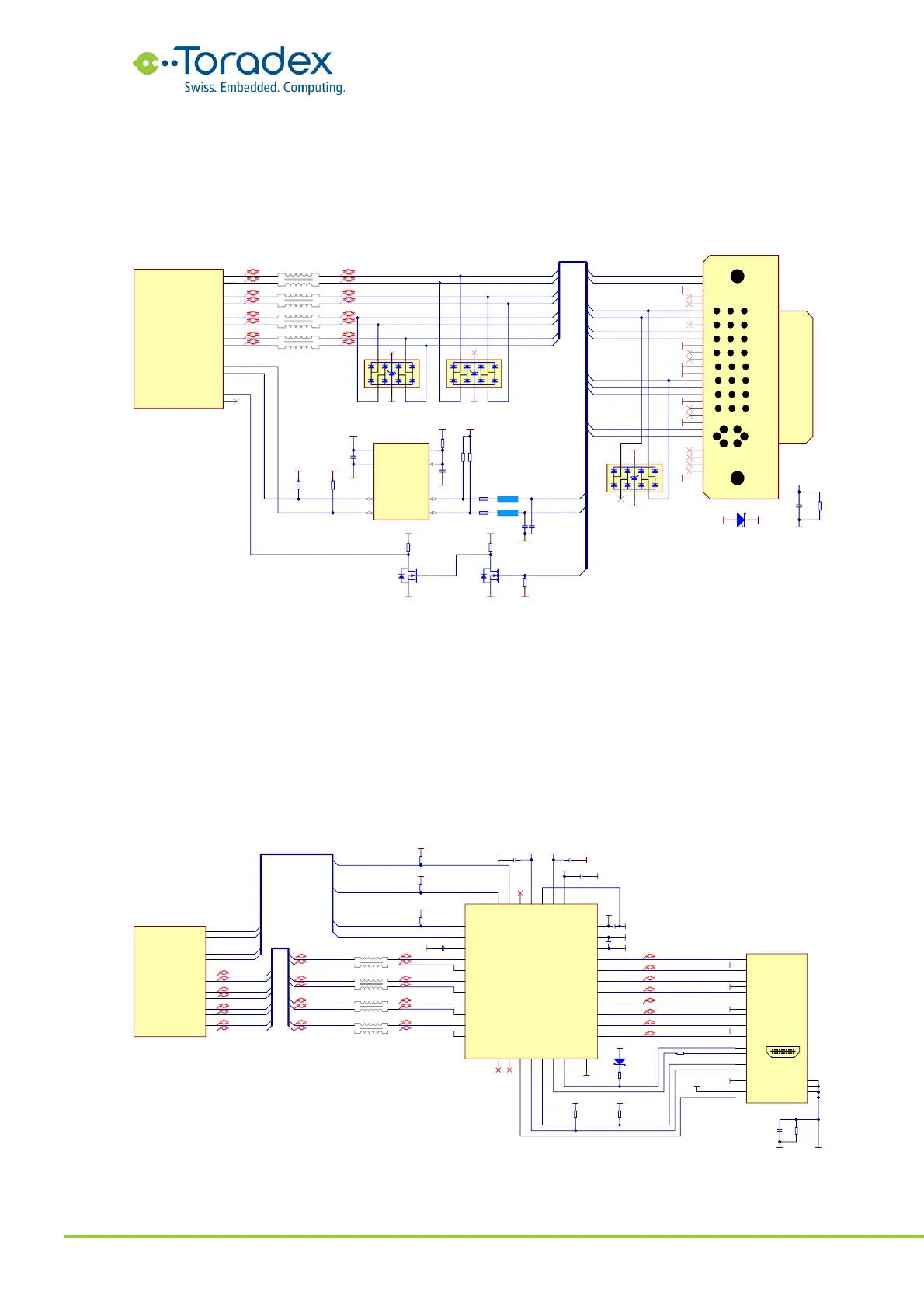
2.5.2.2 HDMI Schematic Example
The HDMI connector does not feature an Analog VGA interface, but there is an optional Consumer
Electronics Control (CEC) interface available. This one-wire interface is used to control consumer
audio and video devices such as televisions or AV receivers. There are many different trade names
for CEC (VIERA Link, Anynet+, EasyLink, Aquos Link, BRAVIA Link, etc.) The CEC is a 3.3V interface
on the HDMI connector. Therefore, a level shifter is required.
The I
2
C signals for the DDC and the hot-plug detection (HPD) need to be shifted to/from the 5V
logic level of the HDMI interface to the Verdin module signal level of 1.8V. The DDC requires
external pull-up resistors on the carrier board.
Figure 29: HDMI reference schematic
GND
74320-1004
1
2
3
4
5
6
7
8
9
10
11
12
13
14
15
16
17
18
19
20
21
22
23
24
C1
C2
C3
C4
C5
SHIELD
X2
SHIELD
X1
X2
GND
GND
GND
GND
GND
HDMI_1_HPD
HDMI_1_HPD
HDMI_1_TX C_N
HDMI_1_TX C_P
HDMI_1_TX D0_N
HDMI_1_TX D0_P
HDMI_1_TX D1_N
HDMI_1_TX D1_P
HDMI_1_TX D2_N
HDMI_1_TX D2_P
RCLAMP0504S
D2
GND
RCLAMP0504S
D3
GND
HDMI_1_TX C_N
HDMI_1_TX C_P
HDMI_1_TX D0_N
HDMI_1_TX D0_P
HDMI_1_TX D1_N
HDMI_1_TX D1_P
HDMI_1_TX D2_N
HDMI_1_TX D2_P
HDMI1[0..10]
+V5_DVI
PCA9306DCTT
GND
1
VREF1
2
SCL1
3
EN
8
SDA1
4
SDA2
5
SCL2
6
VREF2
7
IC1
GND
R1
100K
100nF
16V
C2
GND
R3
1.8K
R2
1.8K
500mA
220R@100MHz
L1
500mA
220R@100MHz
L2
4.7pF
C4
4.7pF
C3
R4
1.8K
R5
1.8K
GND
HDMI_1_DDC_SDA
HDMI_1_DDC_SCL
100nF
16V
C1
+V1.8_SW
22R
R7
22R
R9
+V5_SW +V5_DVI
HDMI_1_DDC_SDA
HDMI_1_DDC_SCL
RCLAMP0504S
D1
GND
BAT54
D5
+V5_DVI+V5_SW
PLACE D1, D2, D3, D4 NEAR THE DVI-I CONNECTOR
HDMI_1_TXD0_N
73
HDMI_1_TXC_P
69
HDMI_1_TXD1_N
79
HDMI_1_TXD0_P
75
HDMI_1_TXC_N
67
HDMI_1_CEC
63
HDMI_1_HPD
61
I2C_3_HDMI_SCL
59
I2C_3_HDMI_SDA
57
HDMI_1_TXD1_P
81
HDMI_1_TXD2_N
85
HDMI_1_TXD2_P
87
X1D
2309409-2
+V1.8_SW
GNDGND GND
2
1
6
NTZD3154NT1G
T1A
3
5
4
NTZD3154NT1G
T1B
R11
100K
R9
100K
R10
1M
+V1.8_SW +V1.8_SW
12R@100MHz
1
2 3
4
L3
12R@100MHz
1
2 3
4
L4
12R@100MHz
1
2 3
4
L5
12R@100MHz
1
2 3
4
L6
+V1.8_SW
+V5_DVI
GND
1nF
2KV
C10
1M
R12
HDMI_1_HPD_CON
HDMI_1_TXC_CON_N
HDMI_1_TXC_CON_P
HDMI_1_TXD0_CON_N
HDMI_1_TXD0_CON_P
HDMI_1_TXD1_CON_N
HDMI_1_TXD1_CON_P
HDMI_1_TXD2_CON_N
HDMI_1_TXD2_CON_P
HDMI_1_DDC_SCL
HDMI_1_DDC_SDA
GND
GND
GND
GND
GND
HDMI_1_CEC_CON
HDMI Connector
HDMI_1_TXC_N
HDMI_1_TXC_P
HDMI_1_TXD0_N
HDMI_1_TXD0_P
HDMI_1_TXD1_N
HDMI_1_TXD1_P
HDMI_1_TXD2_N
HDMI_1_TXD2_P
+V5_HDMI_1_DISP
GND
+V5_SW
GND
HDMI_1_TXC_N
HDMI_1_TXC_P
HDMI_1_TXD0_N
HDMI_1_TXD0_P
HDMI_1_TXD1_N
HDMI_1_TXD1_P
HDMI_1_TXD2_N
HDMI_1_TXD2_P
HDMI1[0..7]
GND
HDMI_1_HEC_CON
I2C_3_HDMI_SCL
I2C_3_HDMI_SDA
HDMI_1_HPD
HDMI_1_CEC
GND
1nF
2KV
C119
GND_CHASSIS
100nF 16V
C113
100nF
16V
C112
1uF
16V
C117
10029449 -111RLF
TDMS_D2P
1
TDMS_D2_Shield
2
TDMS_D2N
3
TDMS_D1P
4
TDMS_D1_Shield
5
TDMS_D1N
6
TDMS_D0P
7
TDMS_D0_Shield
8
TDMS_D0N
9
TDMS_CLKP
10
TDMS_CLK_Shield
11
TDMS_CLKN
12
CEC
13
HEC
14
DDR_SCL
15
DDR_SDA
16
GND
17
PWR_5V_50mA
18
HotPlug_HECDP
19
SH1
S1
SH2
S2
SH3
S3
SH4
S4
X16
0RR54
+V3.3_SW
HDMI_1_TXD0_N
73
HDMI_1_TXC_P
69
HDMI_1_TXD1_N
79
HDMI_1_TXD0_P
75
HDMI_1_TXC_N
67
HDMI_1_CEC
63
HDMI_1_HPD
61
I2C_3_HDMI_SCL
59
I2C_3_HDMI_SDA
57
HDMI_1_TXD1_P
81
HDMI_1_TXD2_N
85
HDMI_1_TXD2_P
87
X1D
2309409 -2
HDMI_CTRL[0..3]
12R@100MHz
1
2 3
4
L12
12R@100MHz
1
2 3
4
L14
12R@100MHz
1
2 3
4
L15
12R@100MHz
1
2 3
4
L42
HDMI_1_TXC_L_N
HDMI_1_TXC_L_P
HDMI_1_TXD0_L_N
HDMI_1_TXD0_L_P
HDMI_1_TXD1_L_N
HDMI_1_TXD1_L_P
HDMI_1_TXD2_L_N
HDMI_1_TXD2_L_P
HDMI2C1-14HD
SDA_IC
1
HPD_IC
2
ESD_DISCH
3
DAT_D2+_IC
4
DAT_D2-_IC
5
DAT_D1+_IC
6
DAT_D1-_IC
7
DAT_D0+_IC
8
DAT_D0-_IC
9
DAT_CK+_IC
10
DAT_CK-_IC
11
DAT_CK-
19
HEAC+
12
HEAC-
13
HPD
14
SDA
15
SCL
16
Utility
17
CEC
18
DAT_CK+
20
DAT_D0-
21
DAT_D0+
22
DAT_D1-
23
DAT_D1+
24
DAT_D2-
25
DAT_D2+
26
NC
27
5V_OUT
28
VDD_5V
29
VDD_CEC
30
VDD_CEC_IC
31
NC
32
VDD_IC
33
FAULT
34
CEC_IC
35
SCL_IC
36
GND
37
IC6
GND
1.8K
R58
1.8K
R56
+V5_HDMI_1_DISP+V5_HDMI_1_DISP
+V5_HDMI_1_DISP
+V1.8_SW
100nF
16V
C52
+V1.8_SW
27K
R55
BAT54XV2T5G
D24
+V3.3_SW
R53
10K
R52
10K
R45
10K
+V1.8_SW
+V1.8_SW
+V1.8_SW
GND
GND
100nF
16V
C110
GND
1uF
16V
C118
1M
R60
I2C_3_HDMI_SCL
I2C_3_HDMI_SDA
HDMI_1_HPD
HDMI_1_CEC

Table of Contents

Related product manuals