EasyManua.ls Logo

Toradex Verdin - Verdin Power Supply Use Cases

Toradex Verdin
111 pages
Print Icon
To Next Page IconTo Next Page
To Next Page IconTo Next Page
To Previous Page IconTo Previous Page
To Previous Page IconTo Previous Page
Loading...
Verdin Carrier Board Design Guide
Preliminary Subject to Change
Toradex AG l Ebenaustrasse 10 l 6048 Horw l Switzerland l +41 41 500 48 00 l www.toradex.com l info@toradex.com
Page | 71
3.4 Power Supply Use Cases
The power control pins of the Verdin module are very flexible and allow different use cases for the
power supply on the carrier board. The following approaches are just examples for the most
common use cases. There are other options possible.
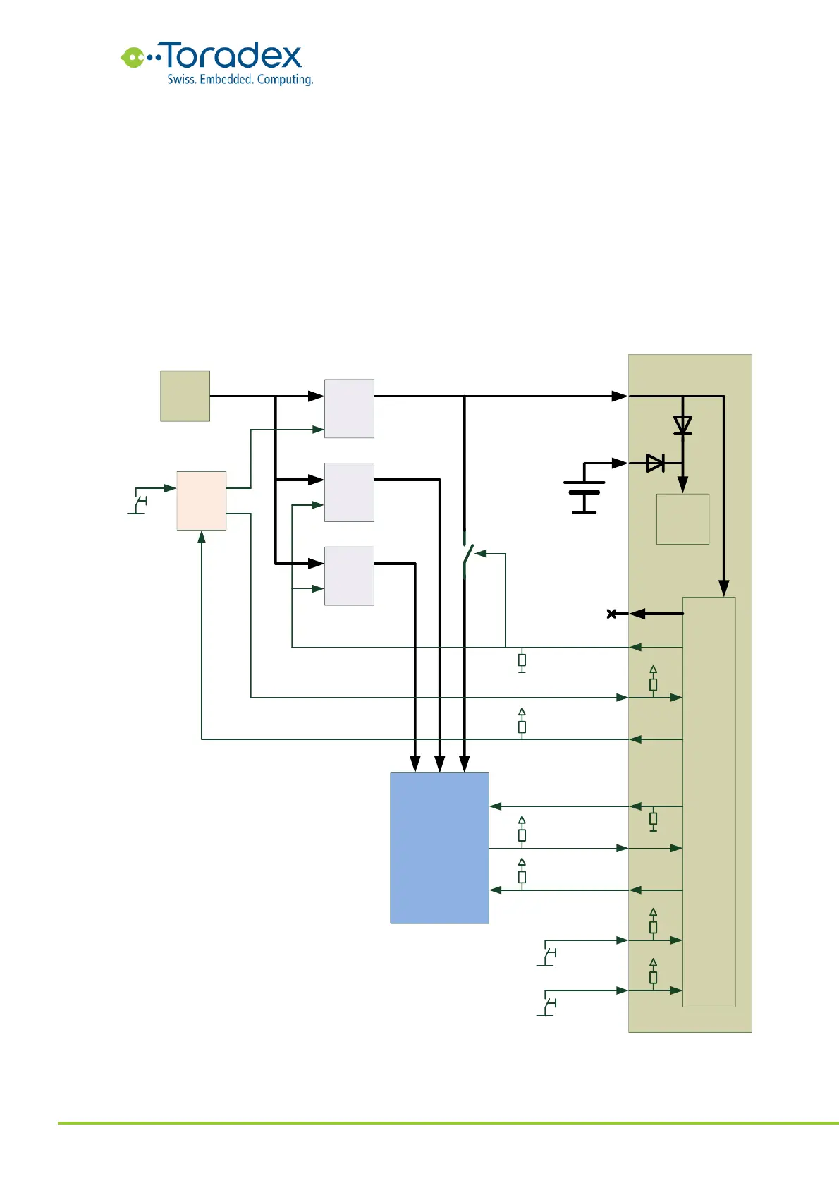
3.4.1 Switched VCC Approach (Verdin Development Board)
The switched VCC approach is basically the one which is implemented on the Verdin Development
Board. There is a power button control IC which handles the switching of the main VCC for the
module. This approach makes use of the CTRL_FORCE_OFF_MOCI# signal which switches off VCC
after the module has been successfully shutdown.
3.4.1.1 Power Block Diagram
Figure 57: Switched VCC Approach Block Diagram
The module gets powered from a 5V buck regulator. This regulator is enabled by a button control
IC. Short pressing the power button will enable the 5V buck regulator which powers up the Verdin
7-24V
Enable
Enable
Module
5V
RTC
CTRL_RECOVERY_MICO#
RESET_MOCI#
CTRL_PWR_EN_MOCI
WAKE1_MICO#
3.3V
VCC_BACKUP
VCC
3.3V
Buck
5V
Buck
Peripheral
Devices on
Carrier Board
Power M
anagement / SoC
RTC
Battery
7-24 V
input
100k
(optional)
Enable
1.8V
1.8V
Buck
Button
Control
Button
Enable
Interrupt
Kill
CTRL_PWR_BTN_MICO#
CTRL_FORCE_OFF_MOCI#
PWR_1V8_MOCI
CTRL_RESET_MICO#
CTRL_SLEEP_MOCI#

Table of Contents

Related product manuals