EasyManua.ls Logo

Toradex Verdin - Potential Issues Caused by Backfeeding

Toradex Verdin
111 pages
Print Icon
To Next Page IconTo Next Page
To Next Page IconTo Next Page
To Previous Page IconTo Previous Page
To Previous Page IconTo Previous Page
Loading...
Verdin Carrier Board Design Guide
Preliminary Subject to Change
Toradex AG l Ebenaustrasse 10 l 6048 Horw l Switzerland l +41 41 500 48 00 l www.toradex.com l info@toradex.com
Page | 82
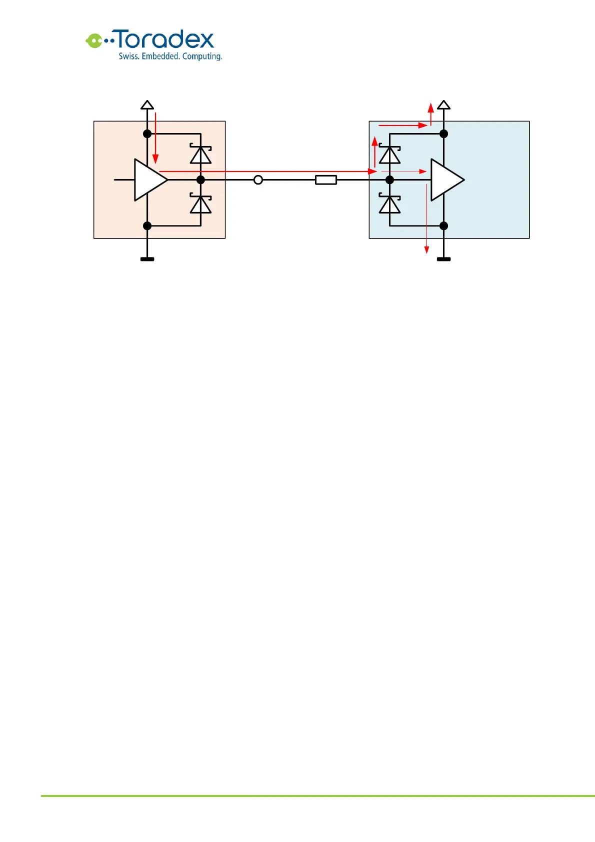
Figure 68: Backfeeding to peripherals
3.5.3 Potential Issues Caused by Backfeeding
In many systems, it is difficult and expensive to completely avoid backfeeding. Various issues could
be caused by backfeeding. For example, the resulting backfeeding current could overload the
output driver of the signal that is causing the backfeeding. If the backfeeding path has series
resistors, the current might get limited to a non-damaging value. Series resistors also allow for
checking the backfeeding current by measuring the voltage drop over the resistor. A high
continuous backfeeding current can also damage the ESD protection diode. Standard on-chip ESD
protection diodes are characterized to withstand tens of amps for nanoseconds, but not
continuously. Continuous current through the protection diode causes power dissipation, which can
be above the diode's limits. However, a few milliamperes are usually neither damaging the ESD
protection diode nor the output driver. Please check whether there any information available in the
SoC and peripheral datasheets.
Even if the resulting input current of a pin is small enough not to damage the ESD protection
diode, the absolute maximum input voltage specifications are violated in many cases. An input
pin's absolute maximum input voltage is often specified by a similar formula:



The 0.3V in this formula is dictated by the ESD protection diode. According to the device
specifications, the input voltage always needs to be small enough for not having the protection
diode conducting. This means backfeeding is often per se violating the maximum input voltage
specifications. Therefore, the manufacturer does not guarantee that backfeeding is not damaging
the device.
Damaged input or output signal paths due to backfeeding current are usually a minor problem.
Issues caused by a residual voltage on a turned-off IO rail are oftentimes more pronounced. If the
IO rail reaches a certain voltage level, other devices on the same rail might show unexpected
behavior. Especially if the voltage level reaches the power-on-reset threshold, devices (or blocks of
devices) might start to run. This could lead to a higher current draw on the backfeeding path,
which could lower the voltage again. This could cause cyclical behavior in which devices are
oscillating between starting and crashing. Such behavior could result in higher overall power
consumption or even audible noise of power converters. Some LEDs may slightly light up or start
blinking.
Backfeeding can cause latch-up situations. IO blocks can go into unintended states, which might
even cause short-circuits that could lead to further chip damages if countermeasures are not taken.
If the IO rail reaches a certain voltage level, it could mean that some power-on-reset circuits are
not triggering when fully turning on the power rails since the reset was already released. This can
PeripheralSoC
IO Rail (on)
TX
Module Pin
Peripheral Rail (off)
RX
22R
1.8V 1V
1.3V1.6V
High

Table of Contents

Related product manuals