EasyManua.ls Logo

Toradex Verdin - Page 81

Toradex Verdin
111 pages
Print Icon
To Next Page IconTo Next Page
To Next Page IconTo Next Page
To Previous Page IconTo Previous Page
To Previous Page IconTo Previous Page
Loading...
Verdin Carrier Board Design Guide
Preliminary Subject to Change
Toradex AG l Ebenaustrasse 10 l 6048 Horw l Switzerland l +41 41 500 48 00 l www.toradex.com l info@toradex.com
Page | 81
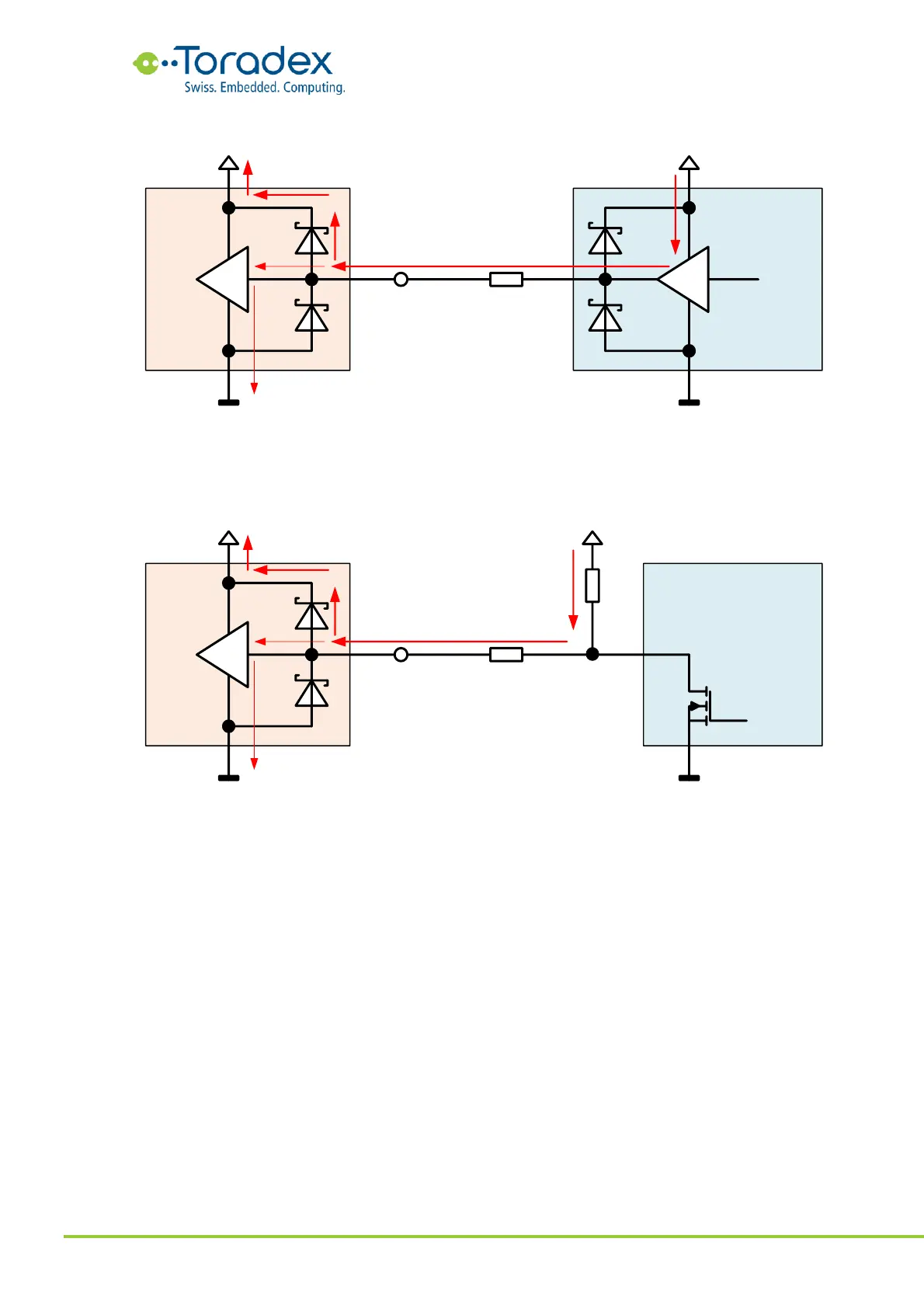
Figure 66: Backfeeding if IO rail is off and the peripheral signal is high
Open drain signals can also cause backfeeding if the pull-up resistor is still powered while the IO
rail on the module is off. However, the backfeeding currents are more likely much smaller than
with a regular push-pull peripheral output pin. The pull-up resistor value limits the current.
Figure 67: Backfeeding with open-drain signals
Interfaces that are prone to backfeeding are, for example, UART and HDMI. The problem is that
the UART signals are high in idle. If the transceiver is not switched off when the module is shut
down, there is potential backfeeding. The transition-minimized differential signals (TMDS) of the
HDMI interface are terminated to 3.3V at the receiver side (e.g., a display). Therefore, the signals
have a DC offset. Even if the module and carrier board are turned-off, the TMDS signals can be
lifted to 3.3V by the monitor. If an improper HDMI circuit is used, this can cause backfeeding. The
DDC and the hotplug detection signal can cause further backfeeding in combination with an HDMI
monitor.
Besides the HDMI DDC, I
2
C interfaces, in general, can be sources for backfeeding if the pull-up
resistor is using a different voltage domain than the module IO rail. Due to the pull-up resistor
value, the current usually is smaller than with regular CMOS signals. However, with backfeeding,
the amount of interfaces pins that are backfeeding signals is essential. If a system has many open-
drain signals backfeeding, this can still lead to problematic high IO rail voltage.
Backfeeding can also happen in the other direction. For saving energy, unused peripherals are
often turned off by switching off their power rails. If the module output signals are still driven high,
the module can feed back the peripheral rail.
PeripheralSoC
IO Rail (off)
RX
Module Pin
Peripheral Rail (on)
TX
22R
1V 1.8V
1.6V1.3V
High
Open-Drain
Peripheral
SoC
IO Rail (off)
RX
Module Pin
Peripheral Rail (on)
22R
0.8V 1.8V
1.0V1.0V
Low
1k

Table of Contents

Related product manuals