EasyManua.ls Logo

Toro 31598 - Page 74

Toro 31598
84 pages
Print Icon
To Next Page IconTo Next Page
To Next Page IconTo Next Page
To Previous Page IconTo Previous Page
To Previous Page IconTo Previous Page
Loading...
BK/W
R/W
R
R
BK
BK
BK
BK
BK
BK
Y
T/BK
PK
PK
R
R
MAXI#2
R
R
CONTROLLERPOWERRELA Y
LINE02
LINE04
LINE07
B
2F4
2F1
2F2
VIO
T/BK
PK
BN
Y
W
R/W
VIO
R
BK
Y
PK
R
1F15 A
R
120OHM
A
R
2F3
1F3
60A
60A
INFOCENTER
R
OR
BK/W
LINE38
HORN
T
C
R
MAINPOWERRELA
Y
(5)
(4)
86
(1)
30
(2)
85
87
CABPOWERRELA
Y
LINE01
LINE05
LINE06
LINE09
LINE39
10A
10A
MAXI#3
1F430 A
CAN-
AIR-RIDESEAT
54-H
10A
1A
60A
MAXI#1
1F230 A
CAN+
HORNSWITCH
GROUND
BLOCK
08-A
R/W
54-G
(5)
(4)
86
(1)
30
(2)
85
87
(5)
(4)
86
(1)
30
(2)
85
87
08-B
OPTIONALFUSEBLOCK
15A ROADANDBRAKELIGHT
CUMMINSCONTROLLER
POWERPOINT
D
B
RUN
E
F
C
A
A B C D E F
STOP ----NONE
RUN----B+C+F;D+E
START ---A+B+C
OFF START
IGNITIONSWITCH(HOBBS)
g011819
SEEDWG.# g011820
SEEDWG.# g011827
SEEDWG.#g01 1817
SEEDWG.#g01
1818
SEEDWG.#g01
1819
SEEDWG.#g01 1817
SEEDWG.#g01 1817
SEEDWG.#g01 1818
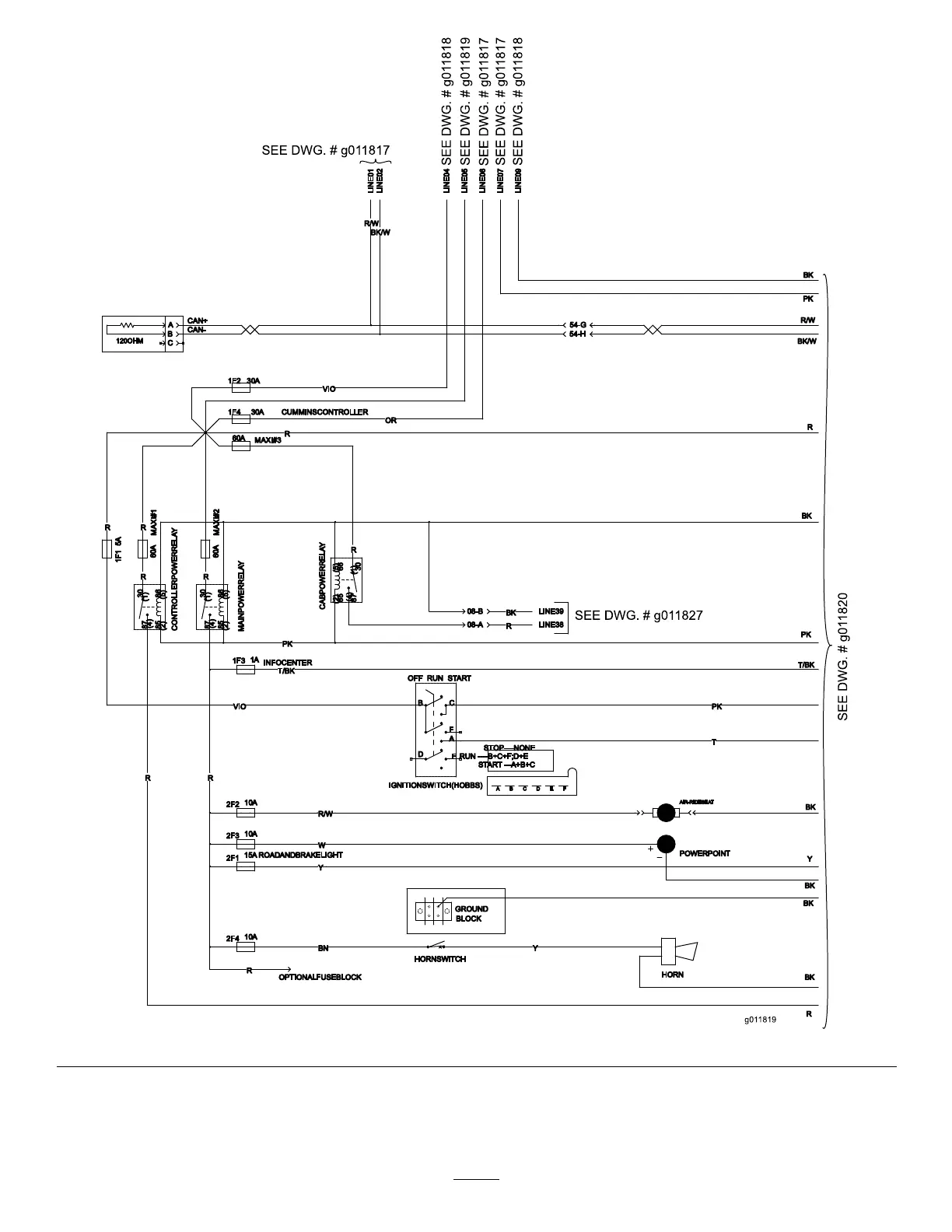
ElectricalSchematic(G011819)(Rev.A)
74

Table of Contents

Related product manuals