EasyManua.ls Logo

Toro 31598 - Page 75

Toro 31598
84 pages
Print Icon
To Next Page IconTo Next Page
To Next Page IconTo Next Page
To Previous Page IconTo Previous Page
To Previous Page IconTo Previous Page
Loading...
BK/W
R/W
R
R
BK
BK
BK
BK
BK
BK
T
Y
T/BK
PK
PK
PK
A
B
J
F
C
3 6
9
C
A
E
G
D
A
A B
RS232 TX+
C D
RS232RX+
E F
RS485A
NOTUSED
B
C
H
B
PK
BK/W
T/BK
TX(-)
BK
Y
PK
R
BK
R/W
BK
T
R
R
RX
BK/W
CAN-
GY
CAP
(+)
(-)
T/BK
BK
57-A
BK
R/W
1
T
BK
GN/BK
4 72 5
R
PK
PK
R/W
8
11 12
10
CAN+
CAP
GROUND
RS232 TX-
CAN-
RS232RX-
RS485B
SWITCHEDO/P
HOURMETER
LINE29
LINE27
LINE22
BK/W
LINE25
LINE16
LINE13
LINE20
BK/W
CANtrak2600
+12VDC
CONNECT OR
LINE28
LINE23
LINE21
LINE26
LINE15
LINE18
LINE12
LINE14
LINE19
CANtrak2600
OR/BK
R/W
INFOCENTER
CANDIAGNOSTIC
CONNECT OR
120OHM
CAN+
CAN-
GND
DIAGNOSTIC
ENGINE
PWR+
CAN+
LOOP-BACKCONNECT OR
COMMUNICATIONPOR T
SEEDWG.# g011825
g011820
SEEDWG.# g011819
SEEDWG.# g011823
SEEDWG.# g011821
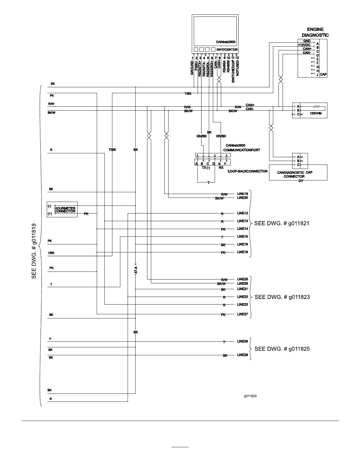
ElectricalSchematic(G011820)(Rev.A)
75

Table of Contents

Related product manuals