EasyManua.ls Logo

Toro ProLine H600 - Belt Maintenance; Checking the Condition of the Alternator Belt; Tensioning the Alternator Belt; Servicing the PTO Belts

Toro ProLine H600
88 pages
Print Icon
To Next Page IconTo Next Page
To Next Page IconTo Next Page
To Previous Page IconTo Previous Page
To Previous Page IconTo Previous Page
Loading...
Belt Maintenance
Checking the Condition of
the Alternator Belt
Service Interval : Every 200 hours
Check alternator belt for wear or damage.
Note: Replace the alternator belt if you nd it worn
or damaged.
T ensioning the Alternator
Belt
Service Interval : After the rst 10 hours
Every 200 hours
1. Park the machine on a level surface.
2. Disengage the PT O, lower the cutting unit, and
engage the parking brake.
3. Shut of f the engine and remove the key .
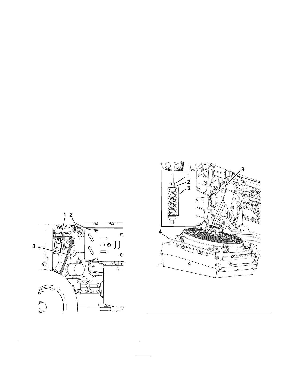
4. Loosen the alternator pivot bolt and lock bolt
( Figure 76 ).
5. T ension the alternator belt until you achieve 10
mm (3/8 inch) belt deection midway between
the pulleys with a force of 4.5 kg (10 lb).
6. T ighten the alternator lock bolt ( Figure 76 ).
7. T ighten the alternator pivot bolt ( Figure 76 ).
g435746
Figure 76
1. Alternator belt 3. Alternator pivot bolt
2. Alternator lock bolt
Servicing the PT O Belts
Checking the PT O Belt T ension
Service Interval : After the rst 10 hours —Check the
tension of the PT O belt.
After the rst 50 hours —Check the tension of
the PT O belt.
Every 200 hours —Check the condition of and
tension of the PT O belt.
1. Park the machine on a level surface.
2. Disengage the PT O, lower the cutting unit, and
engage the parking brake.
3. Shut of f the engine and remove the key .
4. Look at the tension-indicator arrow of the
idler-pulley tensioner .
The outer surface of the washer should align
with the tension-indicator arrow
5. If needed, rotate the nut for the idler-pulley
tensioner until the tension-indicator arrow aligns
with the outer surface of the washer ( Figure 77 ).
g435745
Figure 77
1. Jam nut 4. Belt-tensioning spring
2. Nut 5. W asher
3. T ension-indicator arrow 6. Radiator
Replacing the PT O Belts
Important: Replace the PT O belts as a matched
set.
63

Table of Contents