EasyManua.ls Logo

Trane Tracer Summit - Type of Communication Card: Isolated Comm3

Trane Tracer Summit
272 pages
Print Icon
To Next Page IconTo Next Page
To Next Page IconTo Next Page
To Previous Page IconTo Previous Page
To Previous Page IconTo Previous Page
Loading...
Chapter 5 UCM Wiring and Addressing
122 BMTW-SVN01F-EN
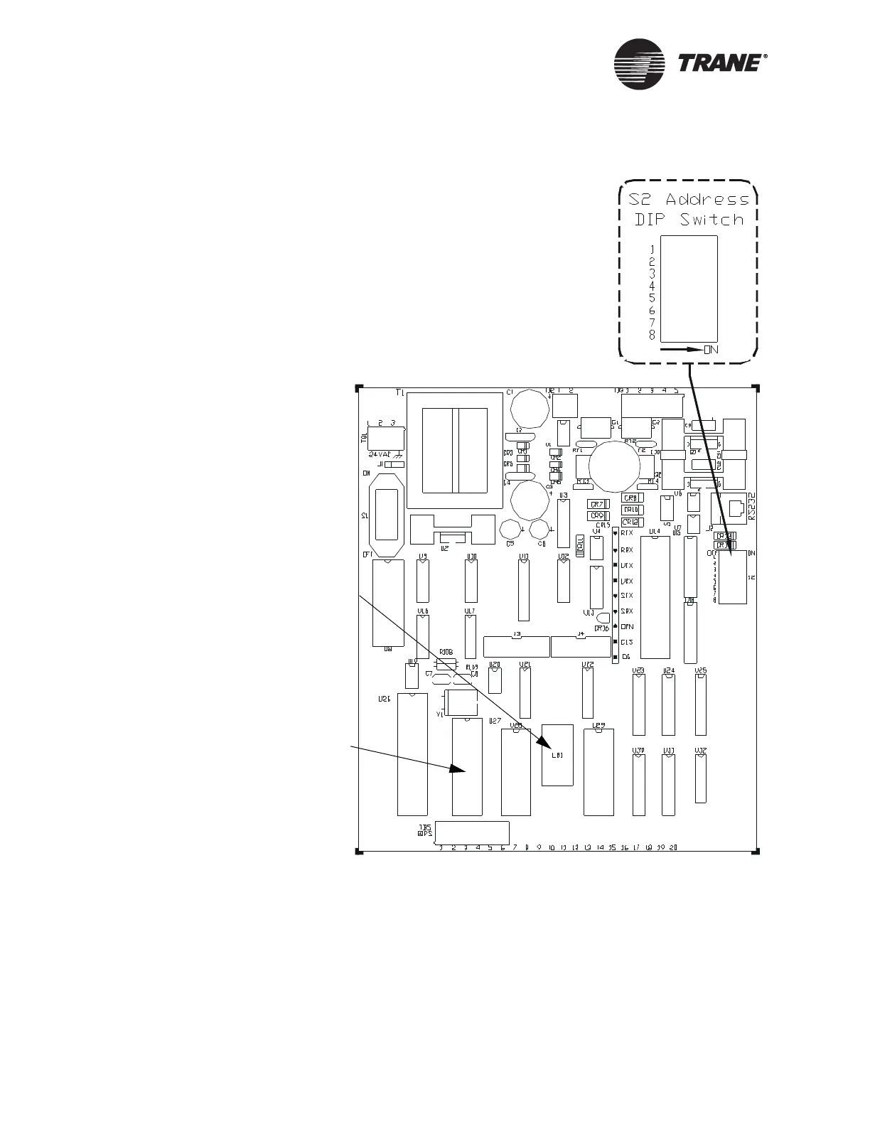
Figure 57. Location of the DIP Switches on the VariTrac II CCP
Type of Communication Card: Isolated Comm3
Refer to “Isolated Comm3 Card” on page 49.
Label on the chip
in location U27
indicates the
software version
Label indicates
the revision level
of the CCP board

Table of Contents

Other manuals for Trane Tracer Summit

Related product manuals