EasyManua.ls Logo

Trane Tracer Summit - Device Addressing

Trane Tracer Summit
272 pages
Print Icon
To Next Page IconTo Next Page
To Next Page IconTo Next Page
To Previous Page IconTo Previous Page
To Previous Page IconTo Previous Page
Loading...
Chapter 5 UCM Wiring and Addressing
124 BMTW-SVN01F-EN
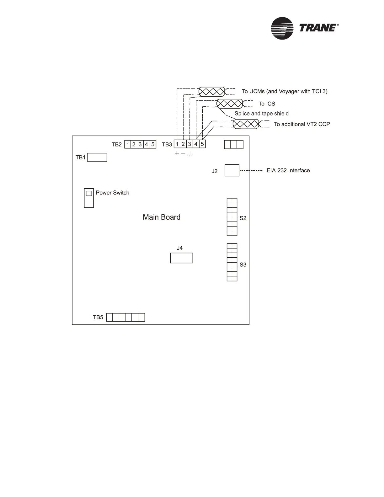
Figure 58. ICS Connections Between the BCU and the VariTrac II CCP
on an Isolated Comm3 Link
Device Addressing
Each UCM must have a unique address on each link. VariTrac II CCPs
can have an address from 1 through 32. The address is set with the S2
DIP switches and must match the address that was set in Site Configura-
tion for Tracer Summit.
For details about setting the address, refer to the VariTrac II CCP lit-
erature.
For VariTrac II CCP DIP switch settings, refer to Table 23 on
page 125.

Table of Contents

Other manuals for Trane Tracer Summit

Related product manuals