EasyManua.ls Logo

TYM T303HST - Page 119

TYM T303HST
249 pages
Print Icon
To Next Page IconTo Next Page
To Next Page IconTo Next Page
To Previous Page IconTo Previous Page
To Previous Page IconTo Previous Page
Loading...
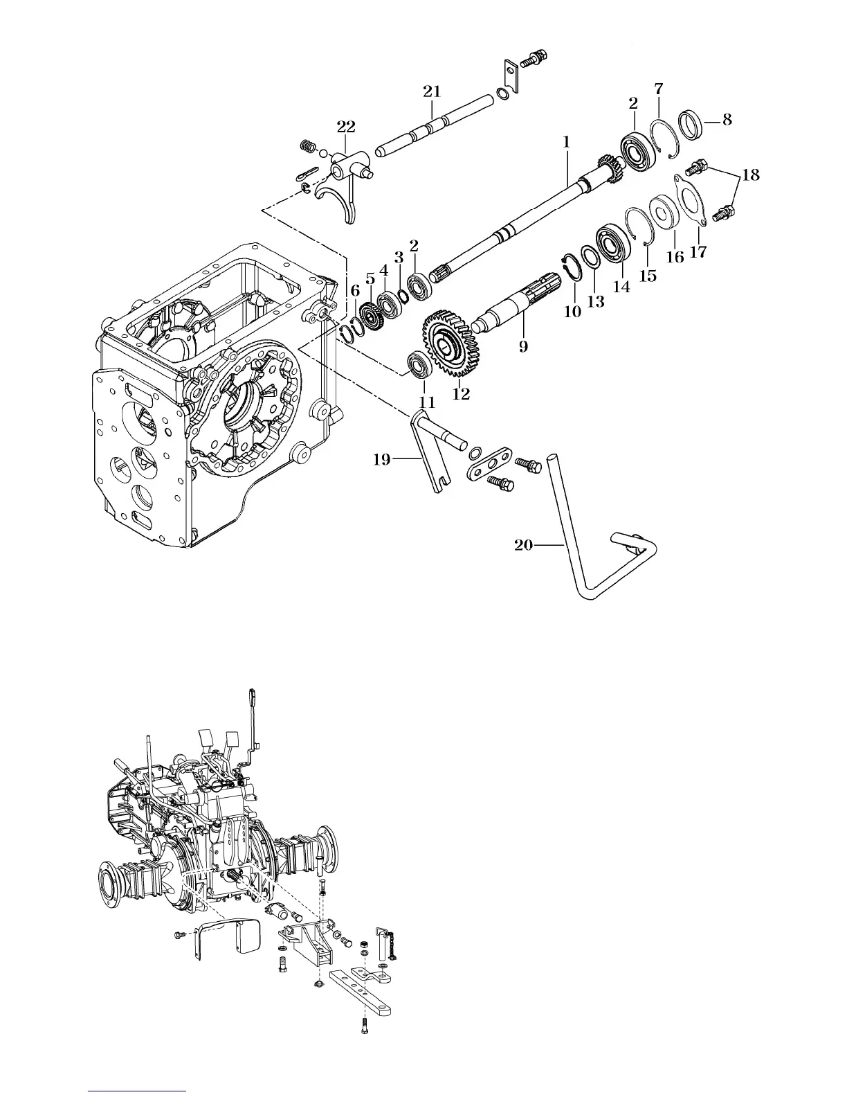
Fig.5-29
(2) PTO shaft and related parts.
1.Gear,spur12 2.R.B.B(6305) 3.C-ring,shaft
4.R.B.B(6205) 5.Gear spur,14 6.C-ring,shaft 7.C-ring,hole 8.Seal 62
9.Shaft,PTO 10.C-ring,shaft 11.R.B.B(6205) 12.Gear,spur 37 13.Collar(35X50X2)
14.R.B.B(6207) 15.C-ring(hole) 16.Oil seal 17.Cover 18.Bolt
19.Hook,rear PTO 20.Lever,rear PTO 21.Stay,PTO shift 22.Shifter,PTO Low speed
a.Remove the rear hitch and the trailer hitch
b.Extract PTO shaft stay(21) rearwards and take
out shifter(22).
c.Be alert to the steel ball which may spring out
of the shifter.Extract PTO shaft(9) rearwards
and remove the change gears and related parts.
d.Remove gear,spur 12(1).
5-18
Fig. rear hitch and trailer hitch

Table of Contents