EasyManua.ls Logo

Vaz 21213 - EMS Wiring Diagram (Sequential Fuel Injection)

Vaz 21213
222 pages
Print Icon
To Next Page IconTo Next Page
To Next Page IconTo Next Page
To Previous Page IconTo Previous Page
To Previous Page IconTo Previous Page
Loading...
197
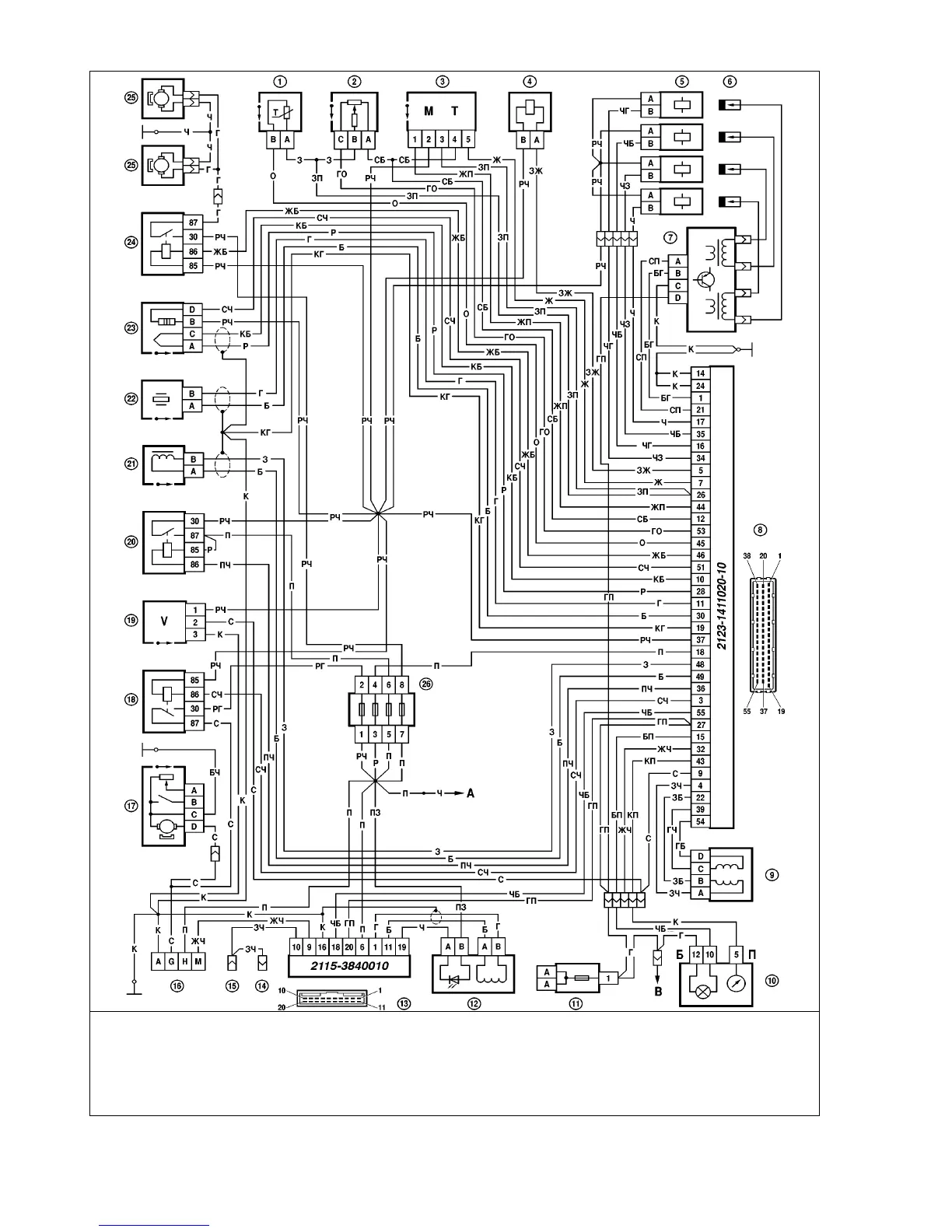
Fig.9-16. EMS wiring diagram (Sequential Fuel Injection), VAZ-21214-20 vehicle:
1 - coolant temperature sensor; 2 - throttle position sensor; 3 - mass airflow meter; 4 - canister purge solenoid; 5 - injectors; 6 - spark plugs; 7 - ignition module; 8 - elec-
tronic control unit; 9 - idle air control valve; 10 - instrument cluster with tachometer and CHECK ENGINE light; 11 - main fusebox; 12 - LED, antitheft system ; 13 - control
module, antitheft system; 14 - to door courtesy light switch; 15 - to interior light switch; 16 - diagnostic plug; 17 - electric fuel pump and fuel level sender; 18 - fuel pump
relay; 19 - speed sender; 20 - main relay; 21 - crankshaft position sender; 22 - knock sensor; 23 - oxygen sensor; 24 - fan relay; 25 - electric fans; 26 - injection system
fusebox; Ä - to power supply

Table of Contents

Related product manuals