EasyManua.ls Logo

Vaz 21213 - Instrument Cluster Pin Assignment

Vaz 21213
222 pages
Print Icon
To Next Page IconTo Next Page
To Next Page IconTo Next Page
To Previous Page IconTo Previous Page
To Previous Page IconTo Previous Page
Loading...
Table 9-3.
Instrument cluster pin assignment
Pin No Pin assignment
Connector ï1 (red or amber)
1 -
2 To ignition switch terminal «15»
3 Spare
4 To instrument cluster lighting switch
5 To alternator terminal «W»
6 To housing
7 To ignition switch terminal «50»
8 To handbrake warning light switch
9 To seat belt relay
10 To fuel gauge terminal «W»
11 To differential lockup sensor
12 To low oil pressure sensor
13 To brake fluid level sensor
207
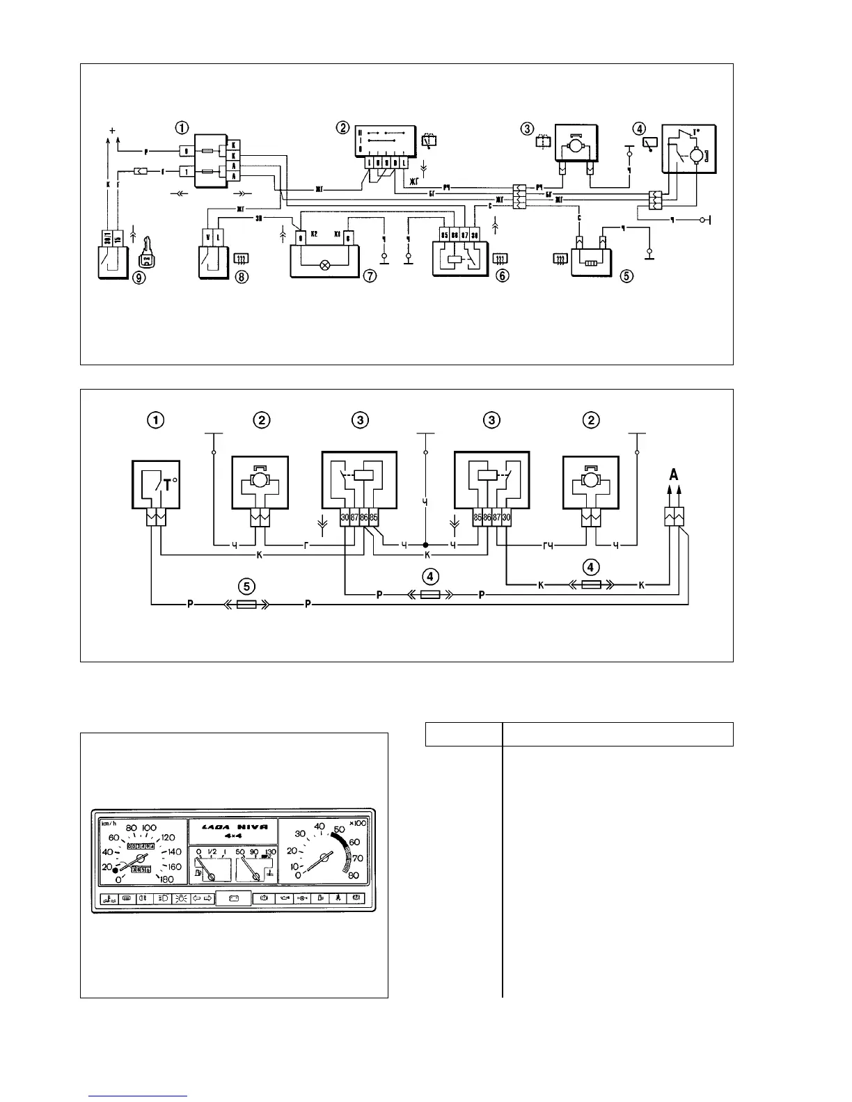
Fig.9-33. Wiring diagram for tailgate wipe/wash and heating element:
1 - fusebox; 2 - wipe/wash switch; 3 - rear window washer motor; 4 - rear window wiper motor; 5 - rear window heating element; 6 - heated rear window relay; 7 - heated
rear window warning light; 8 - heated rear window switch; 9 - ignition switch
Fig.9-34. Wiring diagram for cooling fan motors:
1- motor-on sensor; 2 - fan blower motor; 3 - fan motor cut-in relay; 4 - fuse (8 ampers) 5 - fuse (16 amperes)
Fig.9-35. Instrument cluster

Table of Contents

Related product manuals