EasyManua.ls Logo

Vermes MDS 3200A - Connection Diagram PLC-Interface

Default Icon
77 pages
Print Icon
To Next Page IconTo Next Page
To Next Page IconTo Next Page
To Previous Page IconTo Previous Page
To Previous Page IconTo Previous Page
Loading...
VTKVSBA004eB|UserManualMDS3200A | Attachment
74
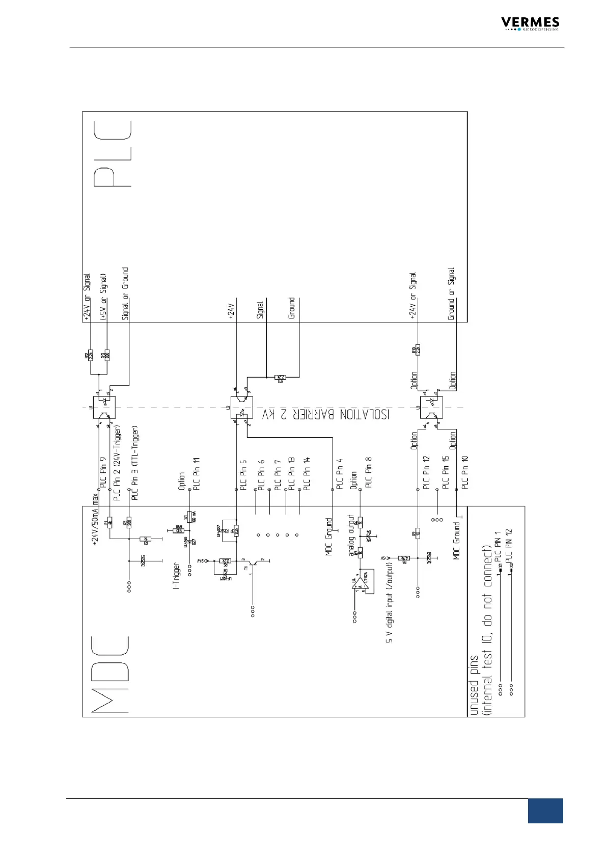
13.4 ConnectionDiagramPLCInterface


Table of Contents

Related product manuals