EasyManua.ls Logo

Yamaha FT50C - Page 202

Yamaha FT50C
267 pages
Print Icon
To Next Page IconTo Next Page
To Next Page IconTo Next Page
To Previous Page IconTo Previous Page
To Previous Page IconTo Previous Page
Loading...
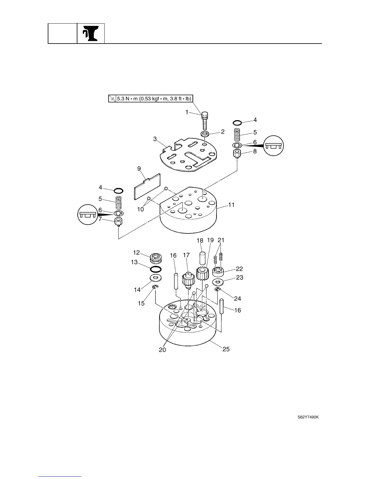
BRKT
Bracket unit
7-33
62Y5A11

Table of Contents

Related product manuals