EasyManua.ls Logo

Yamaha LB2 1978 - Page 123

Yamaha LB2 1978
128 pages
Print Icon
To Next Page IconTo Next Page
To Next Page IconTo Next Page
To Previous Page IconTo Previous Page
To Previous Page IconTo Previous Page
Loading...
CD
®
'.·
®
I
CV
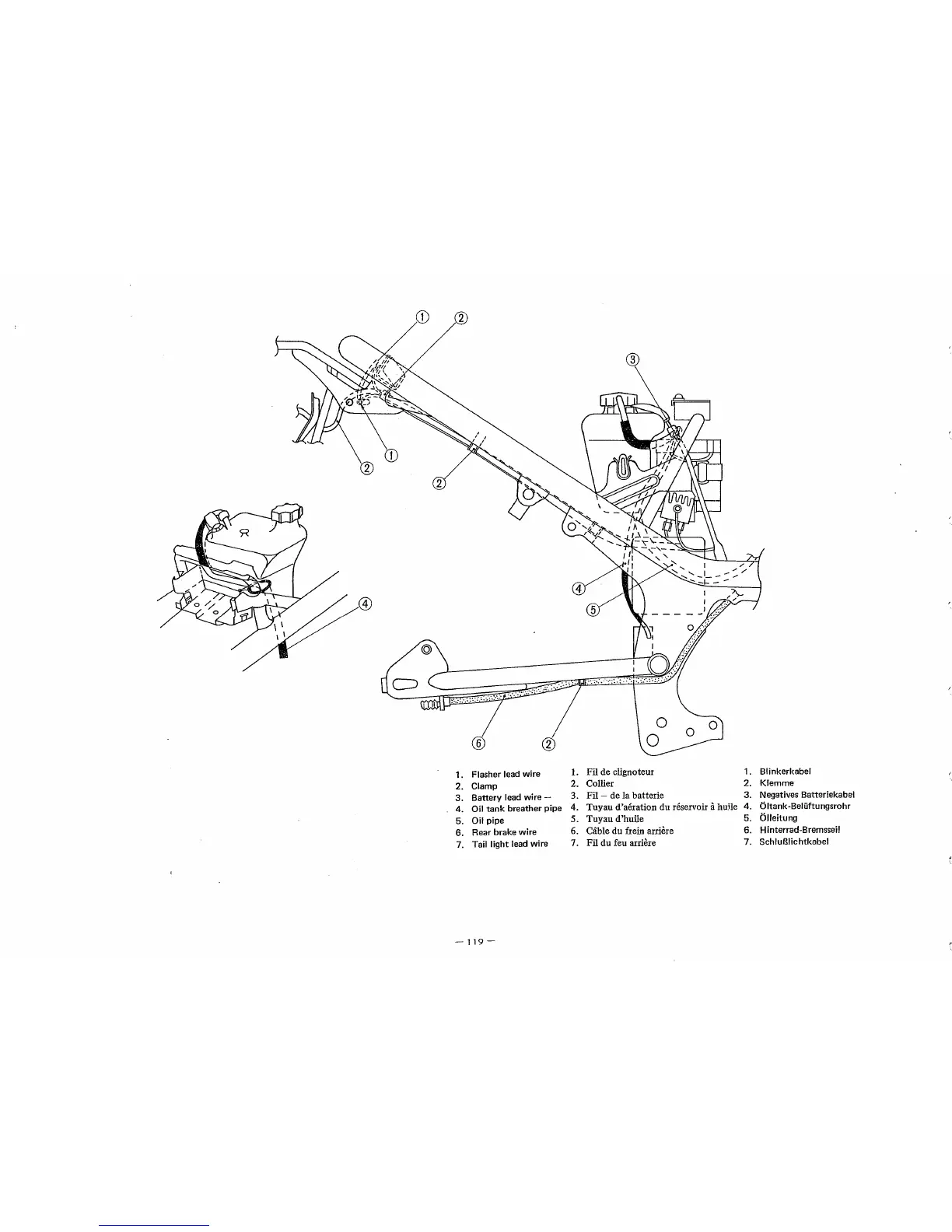
1.
Flasher lead wire
I.
Fil de clignoteur
1.
Blinkerkabel
2.
Clamp
2.
Collier
2.
Klemme
3.
Battery lead wire -
3.
Fil - de
la
batterie
3.
Negatives Batteriekabel
4.
Oil
tank
breather pipe
4.
Tuyau d'aeration du reservoir a hui!e
4.
Oltank-BeHiftungsrohr
5.
Oil
pipe
5.
Tuyau d'huile
5.
Olleitung
6.
Rear brake wire
6. Cable
du
frein arriere
6.
H interrad-Bremsseil
7.
Tail light lead wire
7.
Fil
du
feu arriere
7.
SchluBlichtkabel
-119-

Table of Contents

Related product manuals