EasyManua.ls Logo

Yamaha LB2 1978 - Page 122

Yamaha LB2 1978
128 pages
Print Icon
To Next Page IconTo Next Page
To Next Page IconTo Next Page
To Previous Page IconTo Previous Page
To Previous Page IconTo Previous Page
Loading...
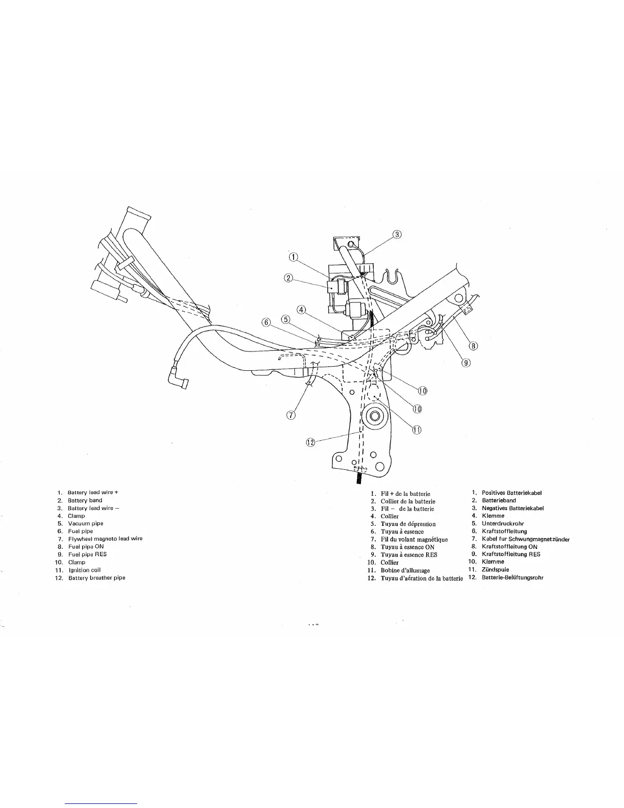
'I.
Battery lead
wire+
1.
Fil
+ de la batterie
1.
Positives Batteriekabel
2.
Battery band
2.
Collier de la batterie
2. Batterieband
3.
Battery lead wire -
3.
Fil-
de la batterie
3. Negatives Batteriekabel
4.
Clamp
4. Collier
4. Klemme
5.
Vacuum pipe
5.
Tuyau
de depression
5. U nterdruckrohr
6.
Fuel pipe
6. Tuyau a essence
6.
Kraftstoffleitung
7.
Flywheel magneto lead wire
7.
Fil
du volant magnetique
7.
l<abel fur Schwungmagnetzlinder
8.
Fuel pipe
ON
8.
Tuyau
a essence
ON
8.
Kraftstoffleitung
ON
9.
Fuel pipe RES
9.
Tuyau
a essence RES
9.
Kraftstoffleitung
RES
10.
Clamp
10.
Collier
10. Klemme
11.
Ignition coil
11.
Bobine d'allumage
11.
Zlindspule
12.
Battery breather pipe
12.
Tuyau d'aeration de la batterie
12.
Batterie-Belliftungsrohr

Table of Contents

Related product manuals