EasyManua.ls Logo

Yamaha LB2 1978 - Page 121

Yamaha LB2 1978
128 pages
Print Icon
To Next Page IconTo Next Page
To Next Page IconTo Next Page
To Previous Page IconTo Previous Page
To Previous Page IconTo Previous Page
Loading...
®
@
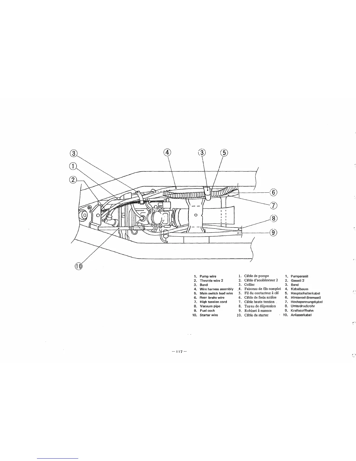
1.
2.
3.
4.
5.
6.
7.
8.
9.
10.
-117-
,,-;3;---..
\~
\
\
Pump wire
Throttle wire 2
Band
Wire
harness assembly
Main switch lead wire
Rear brake wire
High
tension cord
Vacuum pipe
Fuel cock
Starter wire
1.
2.
3.
4.
5.
6.
7.
8.
9.
10.
Cable de pompe
1.
Pumpenseil
Cable d'acceierateur
2
2.
Gasseil 2
Collier
3.
Band
Faisceau de fils cornplet
4.
Kabelbaum
Fil du contacteur a cle
5.
Hauptschalterkabel
~
--\
Cable de frein arriere
6.
Hinterrad-Bremsseil
Cable haute tension
7.
Hochspannungsl~bel
Tuyau de depression
8. Unterdruckrohr
Robinet
a essence
9. Kraftstoffhahn
Cable de starter
10.
Anlasserkabel
~
:--,

Table of Contents

Related product manuals