EasyManua.ls Logo

Yamaha WR250F 2021 - Lubrication System Chart and Diagrams; Engine Oil Lubrication Chart

Yamaha WR250F 2021
404 pages
Print Icon
To Next Page IconTo Next Page
To Next Page IconTo Next Page
To Previous Page IconTo Previous Page
To Previous Page IconTo Previous Page
Loading...
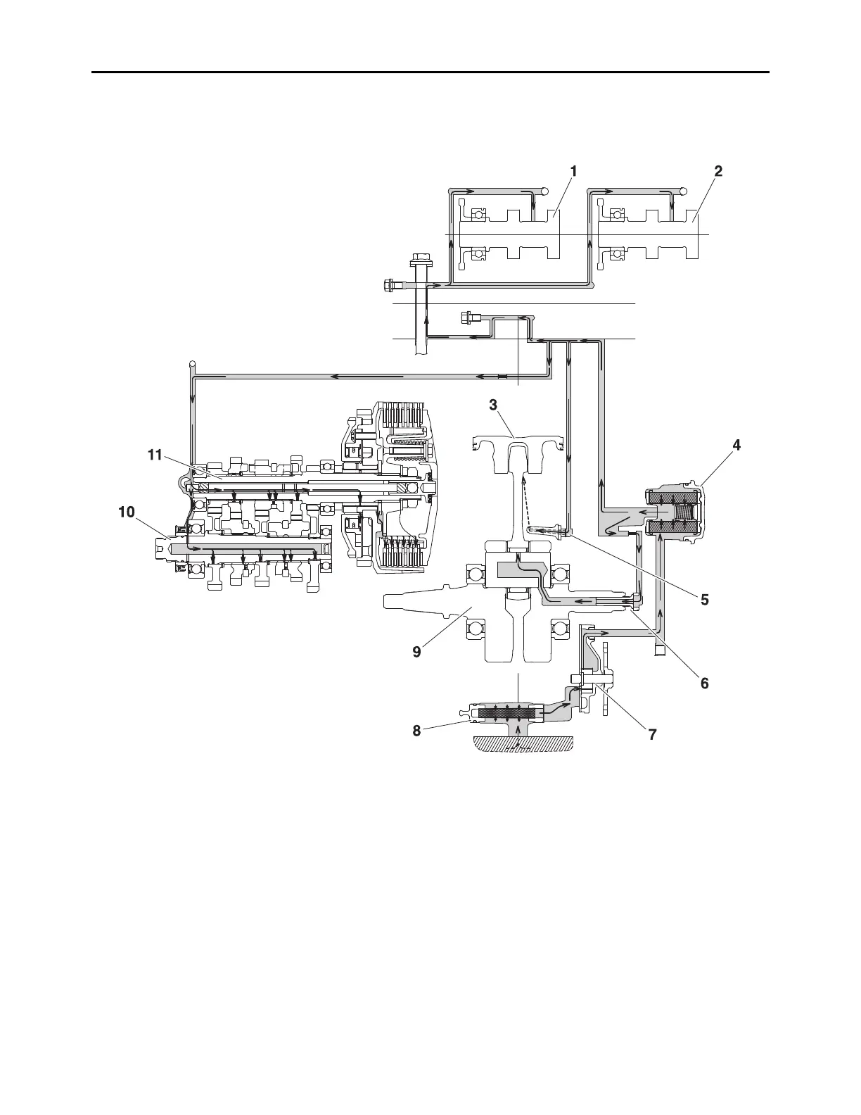
LUBRICATION SYSTEM CHART AND DIAGRAMS
5-1
EAM20185
LUBRICATION SYSTEM CHART AND DIAGRAMS
EAM30526
ENGINE OIL LUBRICATION CHART
1. Intake camshaft
2. Exhaust camshaft
3. Piston
4. Oil filter element
5. Oil nozzle
6. Relief valve
7. Oil pump
8. Oil strainer
9. Crankshaft
10.Drive axle
11.Main axle

Table of Contents

Related product manuals