EasyManua.ls Logo

Yamaha WR250F 2021 - CHARGING SYSTEM

Yamaha WR250F 2021
404 pages
Print Icon
To Next Page IconTo Next Page
To Next Page IconTo Next Page
To Previous Page IconTo Previous Page
To Previous Page IconTo Previous Page
Loading...
CHARGING SYSTEM
8-11
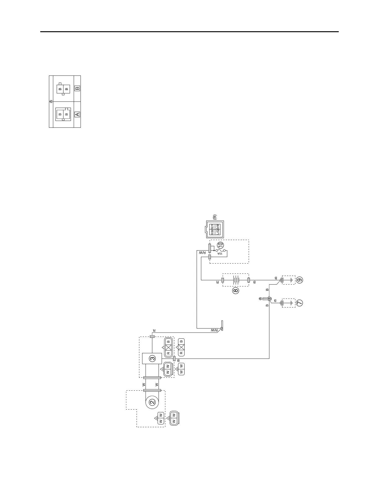
EAM20144
CHARGING SYSTEM
EAM30282
CIRCUIT DIAGRAM

Table of Contents

Related product manuals