EasyManua.ls Logo

Yamaha WR250F 2021 - Cooling System Diagrams

Yamaha WR250F 2021
404 pages
Print Icon
To Next Page IconTo Next Page
To Next Page IconTo Next Page
To Previous Page IconTo Previous Page
To Previous Page IconTo Previous Page
Loading...
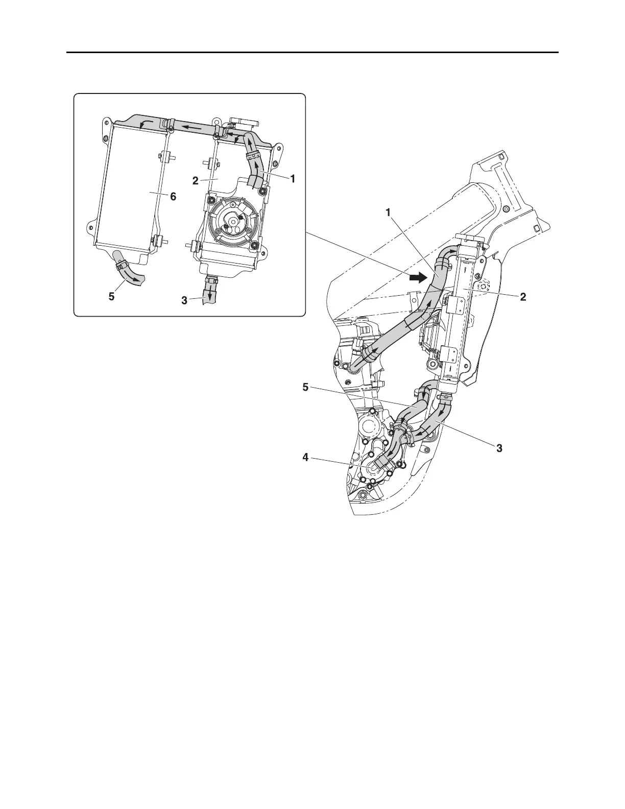
COOLING SYSTEM DIAGRAMS
6-1
EAM20186
COOLING SYSTEM DIAGRAMS
1. Radiator hose 1
2. Radiator (right)
3. Radiator hose 4
4. Water pump
5. Radiator hose 3
6. Radiator (left)

Table of Contents

Related product manuals