EasyManua.ls Logo

YASKAWA varispeed G7 CIMR-G7B series - Using a VS Operator

YASKAWA varispeed G7 CIMR-G7B series
495 pages
Print Icon
To Next Page IconTo Next Page
To Next Page IconTo Next Page
To Previous Page IconTo Previous Page
To Previous Page IconTo Previous Page
Loading...
10-24
Using a VS Operator
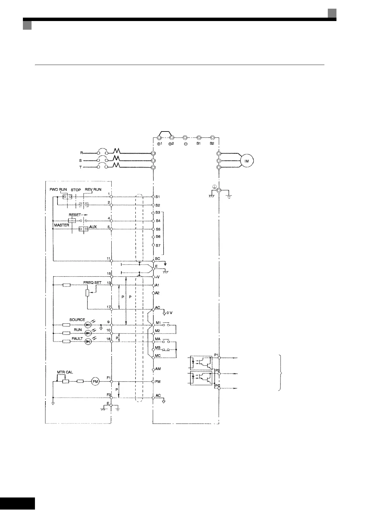
This example shows wiring for using a VS Operator. The VS Operator model number is JVOP-95• or
JVOP-96 •.
CIMR-G7B27P5 (200 V Class Inverters of 7.5 kW)
Fig 10.13
MCCB
3-phase power
Inverter
Motor
Ground to 100 Ω max.
Forward Run Command
(forward run when closed)
Reverse Run Command
(reverse run when closed)
Multi-function contact inputs
Sequence common (0 V)
Shield terminal
Master speed (0 to 10 V, 20 kΩ)
Speed setting power (15 V, 20 mA)
Master speed (4 to 20 mA, 250 Ω)
Fault contact output
Multi-function contact
output (Default: Running
signal)
JVOP-95, C-96 VS Operator
Frequency meter
Multi-function
analog output
Multi-function
analog output
(Default: Output
frequency)
Open collector 1 (Default:
Zero-speed signal)
Open collector 2 (Default:
Speed agreement signal)
Multi-function output
common
Multi-function open-
collector output 48 V,
50 mA max.
Short-circuit bar
(Standard)
R/L1
S/L2
T/L3
U/T1
V/T2
W/T3

Table of Contents

Related product manuals