EasyManua.ls Logo

Zybio Z3 - MIX WBC and RBC Chamber; Aspirate Lyse

Default Icon
82 pages
Print Icon
To Next Page IconTo Next Page
To Next Page IconTo Next Page
To Previous Page IconTo Previous Page
To Previous Page IconTo Previous Page
Loading...
41
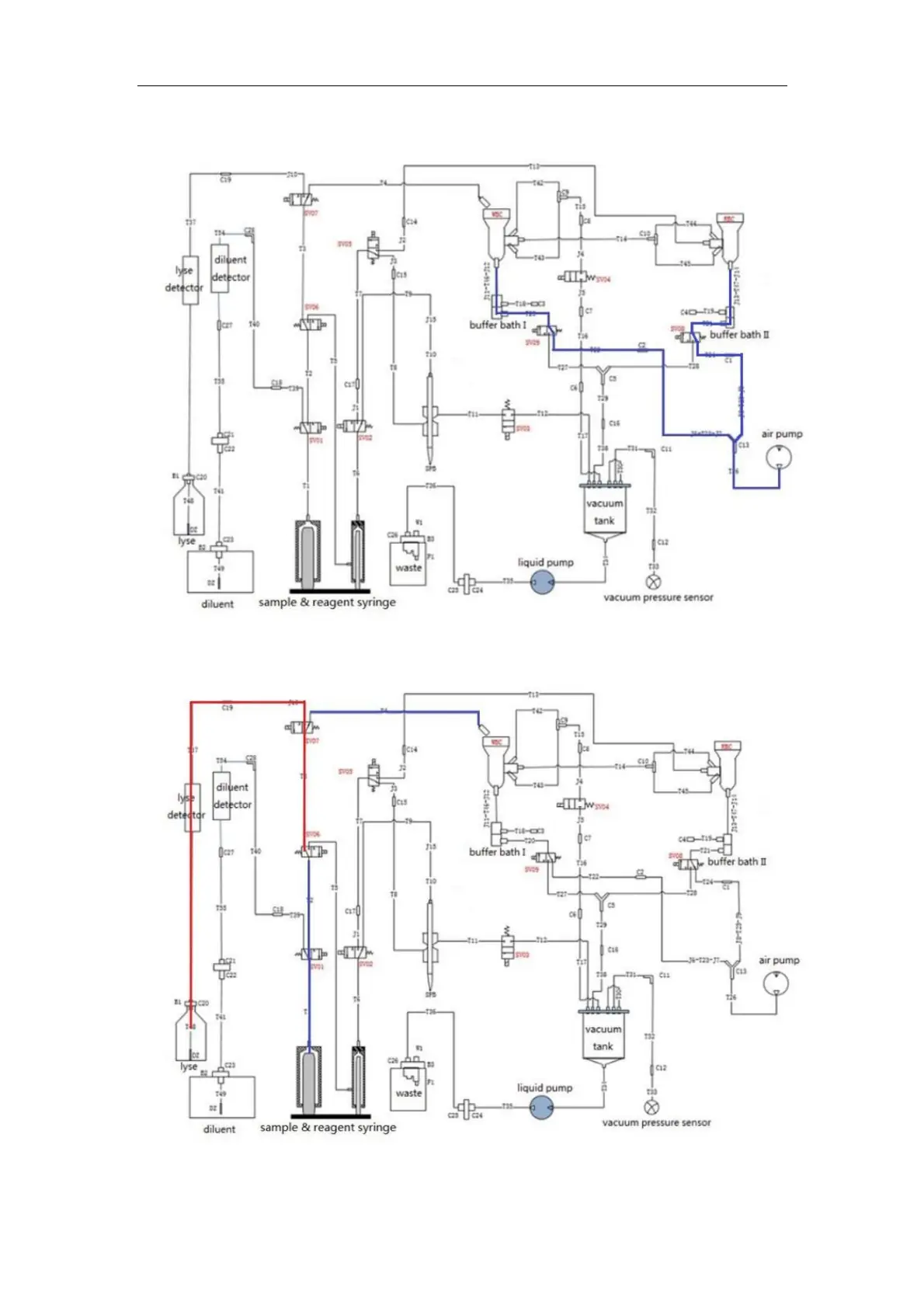
5.5.7 Mix WBC and RBC Chamber
Air pump push bubble to WBC and RBC chamber by going through SV9 and SV8.
Fig. 5-9 Mix WBC and RBC Chamber
5.5.8 Aspirate Lyse
Sample and reagent syringe aspirate lyse by going through SV1-SV6-SV7.
Fig. 5-10 Aspirate Lyse

Table of Contents

Related product manuals