EasyManua.ls Logo

Zybio Z3 - WBC Chamber Add Lyse with Diluent; Counting Blood Cell

Default Icon
82 pages
Print Icon
To Next Page IconTo Next Page
To Next Page IconTo Next Page
To Previous Page IconTo Previous Page
To Previous Page IconTo Previous Page
Loading...
42
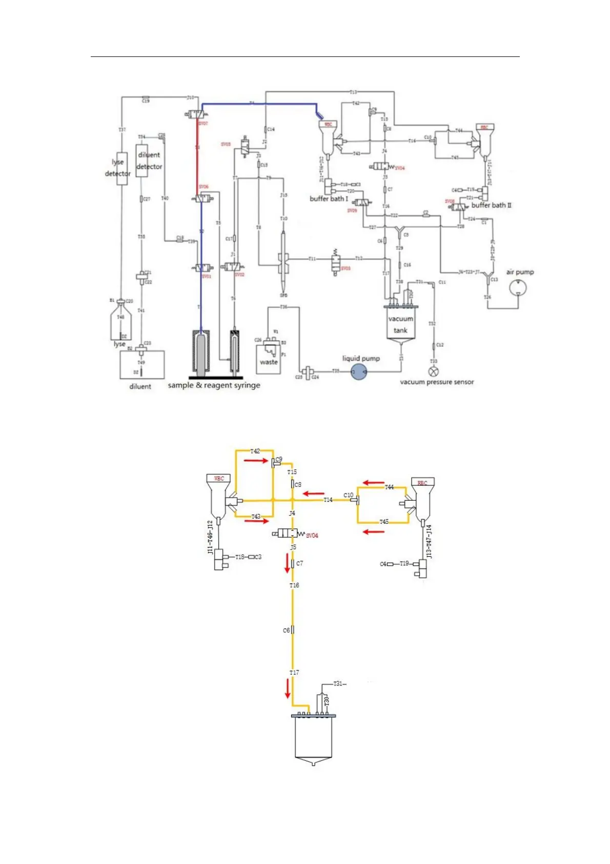
5.5.9 WBC Chamber Add Lyse with Diluent
Sample and reagent syringe push lyse by going through SV1-SV6-SV7 to WBC chamber.
Fig. 5-11 WBC Chamber Add Lyse with Diluent
5.5.10 Counting Blood Cell
Vacuum tank aspirate sample by going through chamber’s aperture and SV4.
Fig. 5-12 Counting Blood Cell

Table of Contents

Related product manuals