EasyManua.ls Logo

ABB A145-M65 - Removing the Turbocharger; Fig. 6: Removing the Turbocharger

ABB A145-M65
142 pages
Print Icon
To Next Page IconTo Next Page
To Next Page IconTo Next Page
To Previous Page IconTo Previous Page
To Previous Page IconTo Previous Page
Loading...
Operation Manual / 4 Product description / A130-M.. - A145-M..
2 Removing and Installing / 2.2 Removing the turbocharger
© Copyright 2017 ABB. All rights reserved. HZTL4031_EN Revision F August 2017
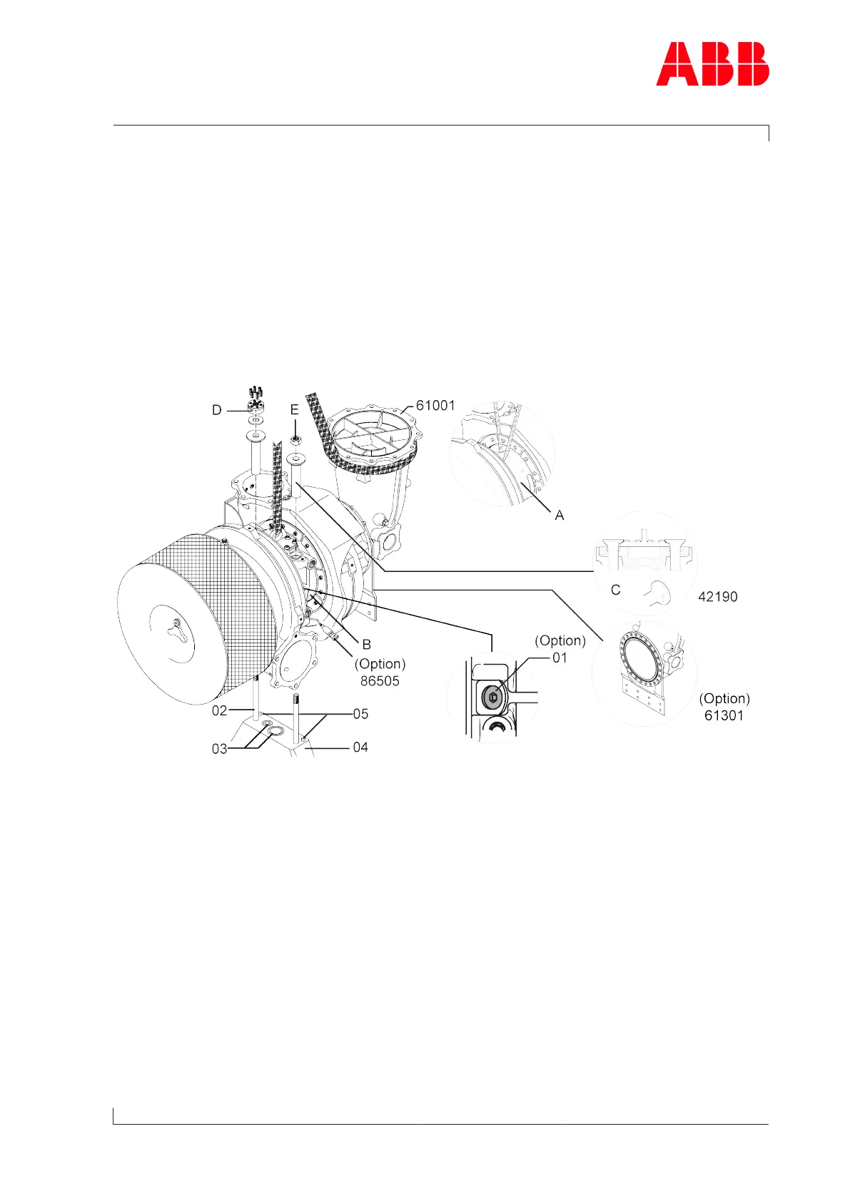
2.2 Removing the turbocharger
The gas outlet casing (61001) can remain fitted in the exhaust gas pipe if the locking nuts
are accessible. Otherwise the complete turbocharger unit including gas outlet casing must
be removed.
u Disconnect all pipes according to the instructions of the enginebuilder.
u If present: Loosen and remove the compressor wheel cooling connection. Close the com-
pressor wheel cooling opening with a screw plug(01).
u If present: Disconnect the plug to the speed sensor (86505) and secure the rolled-up
cable on the turbocharger. This protects the plug from being crushed.
Fig.6: Removing the turbocharger
A Oil-cooled bearing casing D Clamping nut
B Water-cooled bearing casing E Standard nut
C Position of expansion sleeves
u Treat the stud (02) and nut with penetrating oil on the thread and let it work in.
u If present: Detach the support (61301) from the engine support.
Depending on the bracket version(04), two positioning pins(05) can be used for positioning
and safeguarding against wrong fitting of the turbocharger. Therefore the turbocharger
must always be removed from and installed on the bracket vertically.
Page 9 / 111

Table of Contents

Related product manuals